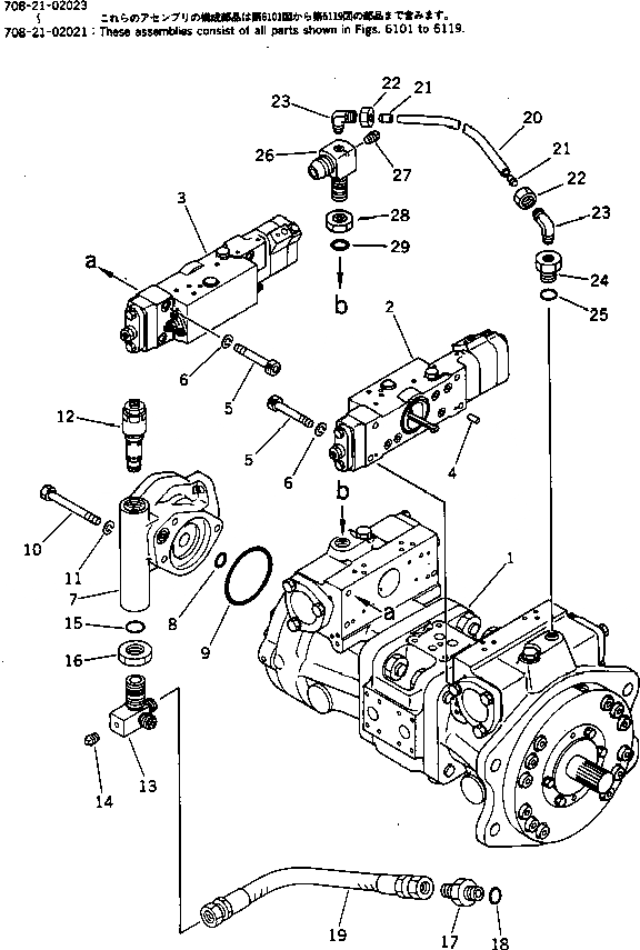
Запчасти Komatsu PC75UU-1 ГИДР. НАСОС. БЛОК УПРАВЛ-Е РАБОЧИМ ОБОРУДОВАНИЕМ

Схема запчастей Komatsu PC75UU-1 - ГИДР. НАСОС. БЛОК УПРАВЛ-Е РАБОЧИМ ОБОРУДОВАНИЕМ
FIT
1:1
100%

Артикул

Название

Примечание

Количество

|$0

708-21-02023

PUMP ASS'Y

|$1

708-21-02022

PUMP ASS'Y

|$2

708-21-02021

PUMP ASS'Y

1

708-21-01222

PUMP SUB ASS'Y

1

708-21-01221

PUMP SUB ASS'Y

1

708-21-01220

PUMP SUB ASS'Y

2

708-21-07841

SERVO VALVE ASS'Y,FRONT

3

708-21-07941

SERVO VALVE ASS'Y,REAR

4

04020-00616

PIN,DOWEL

5

708-25-19130

BOLT

6

01602-00825

WASHER,SPRING

7

704-24-24401

GEAR PUMP ASS'Y

8

07000-02018

O-RING

9

07000-02085

O-RING

10

01010-31080

BOLT

11

01602-01030

WASHER,SPRING

12

708-23-14801

VALVE ASS'Y

13

708-23-19110

ELBOW

14

07042-30108

PLUG

15

07002-02434

O-RING

16

07239-12410

NUT

17

07230-20315

UNION

17

07230-10315

UNION

18

07002-02034

O-RING

19

07102-20303

HOSE

20

07822-00803

TUBE

21

07831-00813

SLEEVE

22

07832-00817

NUT

23

07834-00817

ELBOW

24

203-62-42590

BUSHING

25

07002-02434

O-RING

26

203-62-42640

ELBOW

27

07042-30108

PLUG

28

07239-12410

NUT

29

07002-02434

O-RING

Выбрано товаров: 35