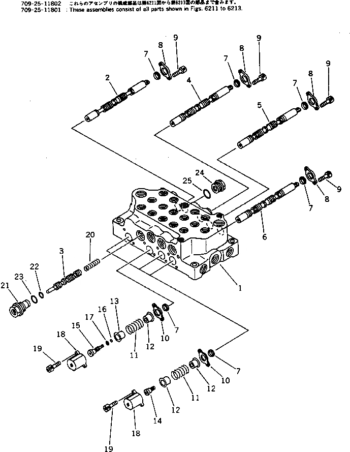
Запчасти Komatsu PC75UU-1 УПРАВЛЯЮЩ. КЛАПАН¤ ПРАВ. (/) УПРАВЛ-Е РАБОЧИМ ОБОРУДОВАНИЕМ

Схема запчастей Komatsu PC75UU-1 - УПРАВЛЯЮЩ. КЛАПАН¤ ПРАВ. (/) УПРАВЛ-Е РАБОЧИМ ОБОРУДОВАНИЕМ
FIT
1:1
100%

Артикул

Название

Примечание

Количество

|$0

709-25-11802

CONTROL VALVE ASS'Y,R.H.

|$1

709-25-11801

VALVE ASS'Y,R.H.

1

BODY,VALVE

2

SPOOL,R.H. TRAVEL

2

SPOOL,R.H. TRAVEL

3

SPOOL,STRAIGHT TRAVEL

4

SPOOL,BOOM

5

SPOOL,BUCKET

6

SPOOL,OFFSET

7

709-25-11290

SEAL,DUST

8

709-25-11320

PLATE

9

01252-30616

BOLT

10

709-25-11310

PLATE

11

700-22-11311

SPRING

12

700-22-11291

RETAINER

13

709-25-11840

RETAINER

14

700-22-11321

PLUG

15

709-25-11330

PLUG

16

07000-11003

O-RING

17

07001-01003

RING,BACK-UP

18

700-22-11332

COVER

18

700-22-11331

COVER

19

01252-30616

BOLT

20

709-25-11410

SPRING

21

709-25-11460

NIPPLE

22

07000-02015

O-RING

23

07002-02434

O-RING

24

709-25-11430

PLUG

25

07002-02434

O-RING

Выбрано товаров: 29