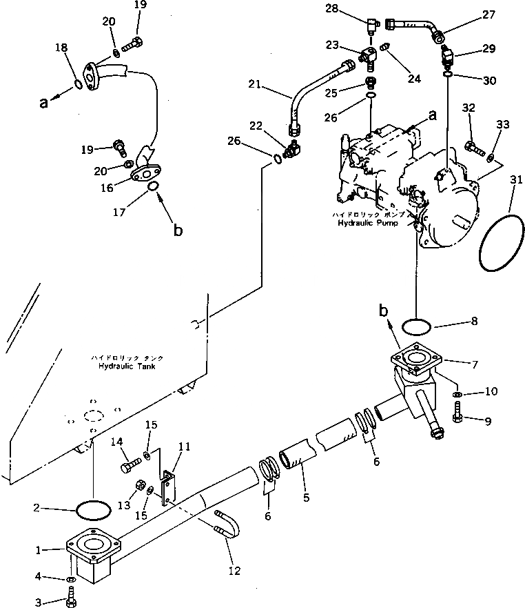
Запчасти Komatsu PC75UU-1 ГИДРОЛИНИЯ (ИЗ БАКА В НАСОС) УПРАВЛ-Е РАБОЧИМ ОБОРУДОВАНИЕМ

Схема запчастей Komatsu PC75UU-1 - ГИДРОЛИНИЯ (ИЗ БАКА В НАСОС) УПРАВЛ-Е РАБОЧИМ ОБОРУДОВАНИЕМ
FIT
1:1
100%

Артикул

Название

Примечание

Количество

1

21W-62-11810

PIPE

2

07000-02105

O-RING

3

01010-51040

BOLT

4

01643-31032

WASHER

5

07260-25825

HOSE

6

07281-00809

CLAMP

7

21W-62-11821

PIPE

8

07000-02060

O-RING

9

01010-51030

BOLT

10

01643-31032

WASHER

11

21W-62-11840

ANGLE

12

07283-26155

CLIP

13

01599-01011

NUT

14

01010-51025

BOLT

15

01643-31032

WASHER

16

21W-62-11830

TUBE

17

07000-03028

O-RING

18

07000-03025

O-RING

19

01010-51030

BOLT

20

01643-31032

WASHER

21

07102-20604

HOSE

22

07235-10628

ELBOW

23

203-62-42640

ELBOW

24

07042-30108

PLUG

25

07239-12410

NUT

26

07002-02434

O-RING

27

07102-20403

HOSE

28

20R-03-12130

ELBOW

29

07235-10422

ELBOW

30

07002-02034

O-RING

31

07000-05195

O-RING

32

01010-51240

BOLT

33

01643-31232

WASHER

Выбрано товаров: 0