Запчасти Komatsu PC75UU-1 ПРУЖИНА ХОДОВАЯ

Схема запчастей Komatsu PC75UU-1 - ПРУЖИНА ХОДОВАЯ
FIT
1:1
100%

Артикул

Название

Примечание

Количество

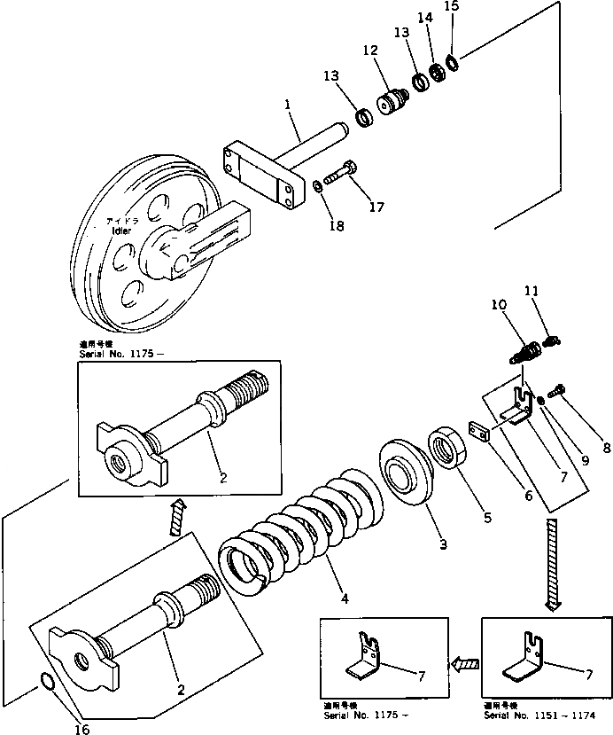
1

21W-30-12620

YOKE

|1

21W-30-12120

YOKE

2

21W-30-12610

CYLINDER

|2

21W-30-12111

CYLINDER

3

21W-30-12130

PILOT

4

201-30-52240

SPRING,RECOIL

5

21W-30-12630

NUT

|5

20X-30-22220

NUT

6

201-30-52280

SEAT

7

21W-30-12640

LOCK

|7

21W-30-12140

LOCK

|7

201-30-52270

LOCK

8

01010-50830

BOLT

9

01643-30823

WASHER

10

203-30-42260

VALVE

|10

201-30-52290

LUBRICATOR

11

07020-00900

FITTING,GREASE

|11

07020-00675

FITTING,GREASE

12

113-30-24161

PISTON

|12

103-30-24160

PISTON

13

07155-00515

RING,WEAR

|13

07155-00410

RING,WEAR

14

09370-00050

U-PACKING

|14

09370-00040

U-PACKING

15

04064-03515

RING,SNAP

|15

04064-02512

RING,SNAP

16

07000-03050

O-RING

|16

07000-03040

O-RING

17

01010-51470

BOLT

|17

01010-51465

BOLT

18

01643-31445

WASHER

Выбрано товаров: 31