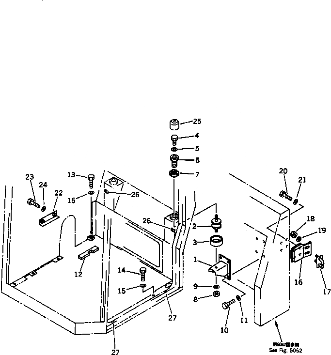
Запчасти Komatsu PC75UU-1 КАБИНА КРЕПЛЕНИЕ ЧАСТИ КОРПУСА

Схема запчастей Komatsu PC75UU-1 - КАБИНА КРЕПЛЕНИЕ ЧАСТИ КОРПУСА
FIT
1:1
100%

Артикул

Название

Примечание

Количество

1

21W-54-12130

BRACKET

2

20R-01-12111

CUSHION

3

21W-54-12210

STOPPER

4

21W-54-12150

BOLT

5

203-26-51240

WASHER

6

21W-54-12140

JOINT

7

21W-54-12240

NUT

8

01580-11210

NUT

9

01643-31232

WASHER

10

01010-51025

BOLT

11

01643-31032

WASHER

12

21W-54-14150

SHEET

13

01010-51085

BOLT

|13

01010-51045

BOLT

14

01010-51025

BOLT

|14

01010-51025

BOLT

15

01643-31032

WASHER

|15

01643-31032

WASHER

16

21W-54-14932

BRACKET

|16

21W-54-14931

BRACKET

17

21W-54-14921

BRACKET

|17

21W-54-14920

BRACKET

18

01580-11008

NUT

19

01643-31032

WASHER

20

01010-51025

BOLT

21

01643-31032

WASHER

22

21W-54-11831

PLATE

|22

21W-54-11830

PLATE

23

01010-51016

BOLT

24

01643-31032

WASHER

25

21W-54-14990

CAP

26

08051-00801

CLIP

27

20U-54-13530

SHEET

Выбрано товаров: 33