Запчасти Komatsu PC75UU-2E ОСНОВН. КОНСТРУКЦИЯ (ЭЛЕКТРОПРОВОДКА) (WITH ONE TOUCH DECEL)(№7-) КАБИНА ОПЕРАТОРА И СИСТЕМА УПРАВЛЕНИЯ

Схема запчастей Komatsu PC75UU-2E - ОСНОВН. КОНСТРУКЦИЯ (ЭЛЕКТРОПРОВОДКА) (WITH ONE TOUCH DECEL)(№7-) КАБИНА ОПЕРАТОРА И СИСТЕМА УПРАВЛЕНИЯ
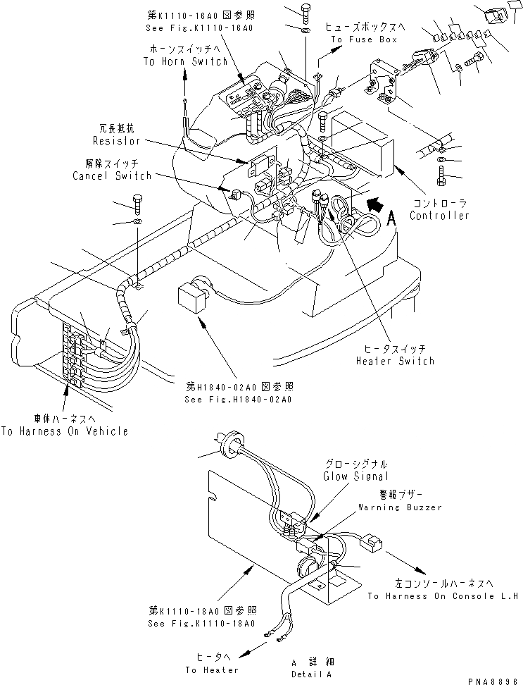
1
2
2
3
4
5
6
7
8
9
10
11
12
13
14
15
16
17
17
17
18
18
18
19
19
19
20
21
21
22
23
24
25
26
27
28
FIT
1:1
100%

Артикул

Название

Примечание

Количество

1

21W-06-21722

WIRING HARNESS

|1

21W-06-21721

WIRING HARNESS

|1

08020-00000

DIODE

2

20T-06-71560

FUSE BOX

3

21W-06-21121

PLATE,FUSE

4

283-06-16190

FUSE¤ 10A

5

22W-06-13150

FUSE¤ 5A

6

205-06-73180

FUSE¤ 15A

7

22W-06-13160

FUSE¤ 20A

8

201-06-61240

FUSE¤ 30A

9

203-06-41570

SWITCH,SWING PARKING BRAKE

10

21W-06-21152

BRACKET

11

01010-50816

BOLT

12

01643-30823

WASHER

13

20T-54-71550

BOLT

14

01643-70823

WASHER

15

08035-02510

CLIP

16

08036-01814

CLIP

17

08036-02514

CLIP

18

01010-51016

BOLT

19

01643-31032

WASHER

20

08037-05016

GROMMET

21

08037-03614

GROMMET

22

08034-20823

BAND

23

08086-20000

SWITCH,STARTING

24

20U-06-21331

WIRE

25

08034-00414

BAND

26

20U-06-22230

WIRING HARNESS

27

21W-06-22240

WIRING HARNESS,(TELESCOPIC ARM AND ATTACH.)

28

08034-00823

BAND

Выбрано товаров: 0