Запчасти Komatsu PC75UU-2E КАПОТ (COVER) ЧАСТИ КОРПУСА

Схема запчастей Komatsu PC75UU-2E - КАПОТ (COVER) ЧАСТИ КОРПУСА
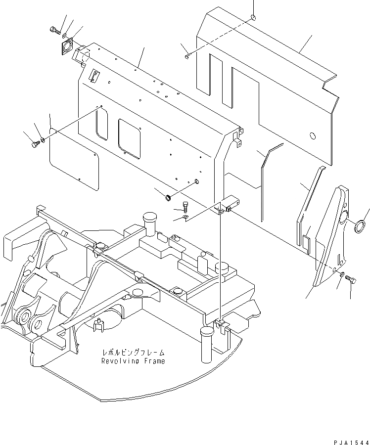
1
2
3
4
5
6
7
8
9
10
11
12
13
14
15
16
17
18
19
20
FIT
1:1
100%

Артикул

Название

Примечание

Количество

|1

21W-54-21102

COVER ASS'Y

1

COVER

2

21W-54-21210

SHEET

3

21W-01-13141

PLATE

4

20U-54-21250

SEAL

5

01010-50616

BOLT

6

01643-30623

WASHER

7

08037-11825

GROMMET

8

04431-10000

CLIP

9

04431-30000

PLATE

10

21W-54-21121

PLATE

11

01010-51020

BOLT

12

01643-31032

WASHER

13

01010-51225

BOLT

14

01643-31232

WASHER

|15

20U-54-21200

COVER ASS'Y

15

COVER

16

20U-54-21470

CUSHION

17

20U-54-21480

CUSHION

18

20U-04-21310

GROMMET

19

01010-51050

BOLT

20

203-54-56970

WASHER

Выбрано товаров: 22