Запчасти Komatsu PC75UU-2E КАПОТ (КАПОТ) (ДЛЯ ВЫХЛОПНАЯ ТРУБА UPWARD)(№-) ЧАСТИ КОРПУСА

Схема запчастей Komatsu PC75UU-2E - КАПОТ (КАПОТ) (ДЛЯ ВЫХЛОПНАЯ ТРУБА UPWARD)(№-) ЧАСТИ КОРПУСА
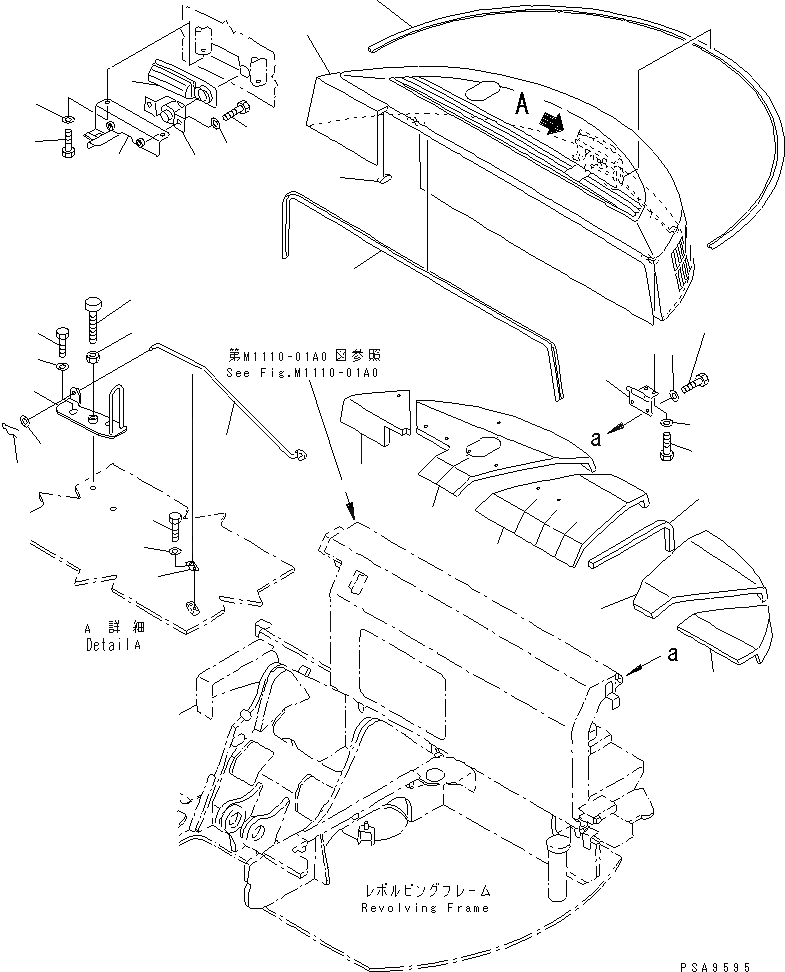
1
2
3
4
5
5
6
7
8
9
10
11
12
13
14
14
14
15
15
15
16
17
18
19
20
21
22
23
24
25
26
27
28
FIT
1:1
100%

Артикул

Название

Примечание

Количество

|1

21W-54-21900

HOOD ASS'Y

1

HOOD

2

20U-54-21321

LOCK ASS'Y

3

20U-54-21331

COVER

4

20U-54-21342

BRACKET

5

21W-54-21351

SEAL

6

20U-54-21360

HINGE

7

21W-54-21381

SHEET

8

21W-54-21391

SHEET

9

21W-54-21411

SHEET

10

21W-54-21930

SHEET

11

21W-54-21431

SHEET

12

21W-54-21441

SHEET

13

21W-54-21460

SEAL

14

01010-51020

BOLT

15

01643-31032

WASHER

16

01010-51020

BOLT

17

01643-31032

WASHER

18

20U-54-21442

BRACKET

19

20Y-54-11611

STOPPER

20

01580-11008

NUT

21

01010-51016

BOLT

22

203-54-56970

WASHER

23

21W-54-21451

BAR

24

01641-20812

WASHER

25

04052-10833

PIN,SNAP

26

20B-54-12210

SPRING

27

01220-40406

SCREW

28

01641-20405

WASHER

Выбрано товаров: 29