Запчасти Komatsu PC75UU-3 КАПОТ (COVER)(№-9) ЧАСТИ КОРПУСА

Схема запчастей Komatsu PC75UU-3 - КАПОТ (COVER)(№-9) ЧАСТИ КОРПУСА
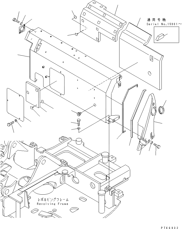
1
2
3
4
4A
5
6
7
8
9
10
11
12
13
14
15
16
17
18
19
20
21
22
23
24
FIT
1:1
100%

Артикул

Название

Примечание

Количество

|1

21W-54-31102

COVER ASS'Y

1

COVER

2

21W-54-31212

SHEET

|2

21W-54-31211

SHEET

3

21W-54-31222

SHEET

4

21W-01-13141

PLATE

4A

21W-54-31230

SHEET

5

20U-54-21250

SEAL

6

01010-80616

BOLT

7

01643-30623

WASHER

8

08037-11825

GROMMET

9

04431-20000

CLIP (ADHESIVE)

10

04431-30000

PLATE

|11

21W-54-31203

COVER ASS'Y

11

PLATE

12

21W-54-31133

SHEET

13

04431-20000

CLIP (ADHESIVE)

14

04431-30000

PLATE

15

01010-81025

BOLT

16

01643-31032

WASHER

17

01010-81225

BOLT

18

01643-31232

WASHER

|19

20U-54-21201

COVER ASS'Y

19

COVER

20

20U-54-21470

CUSHION

21

20U-54-21480

CUSHION

22

20U-04-21310

GROMMET

23

01010-81050

BOLT

24

203-54-56970

WASHER

Выбрано товаров: 29