Запчасти Komatsu PC75UU-3 ПРОТИВОВЕС (УВЕЛИЧ. ТИП)(№9-) ЧАСТИ КОРПУСА

Схема запчастей Komatsu PC75UU-3 - ПРОТИВОВЕС (УВЕЛИЧ. ТИП)(№9-) ЧАСТИ КОРПУСА
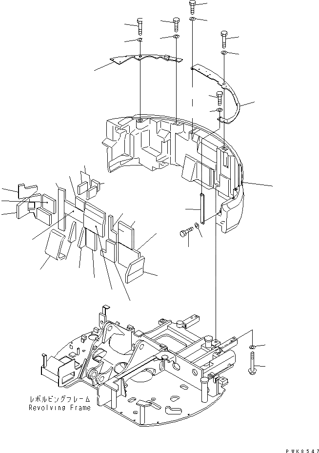
1
2
3
4
5
6
7
8
9
10
11
12
13
14
15
16
17
18
19
20
21
22
23
24
25
25
25
25
26
26
26
26
27
27
28
28
FIT
1:1
100%

Артикул

Название

Примечание

Количество

1

21W-46-33140

COUNTER WEIGHT

2

207-27-52310

BOLT

3

01643-32060

WASHER

4

21W-46-33240

SHEET

5

21W-46-33280

SHEET

6

21W-46-38470

SHEET

7

21W-46-38480

SHEET

8

21W-46-38390

SHEET

9

21W-46-33290

SHEET

10

21W-46-33340

SHEET

11

21W-46-38440

SHEET

12

21W-46-38430

SHEET

13

21W-46-33351

SHEET

14

21W-46-38410

SHEET

15

21W-46-33360

SHEET

16

21W-46-38420

SHEET

17

21W-46-33431

SHEET

18

21W-46-33371

SHEET

19

21W-46-33381

SHEET

20

21W-46-33391

SHEET

21

21W-46-38490

SHEET

22

21W-46-33213

PLATE

23

21W-46-33223

PLATE

24

21W-46-33270

PLATE

25

01010-81030

BOLT

26

01643-31032

WASHER

27

01010-82450

BOLT

28

01643-32460

WASHER

Выбрано товаров: 28