Запчасти Komatsu PC75UU-3 КРЫШКИ ХОДОВАЯ

Схема запчастей Komatsu PC75UU-3 - КРЫШКИ ХОДОВАЯ
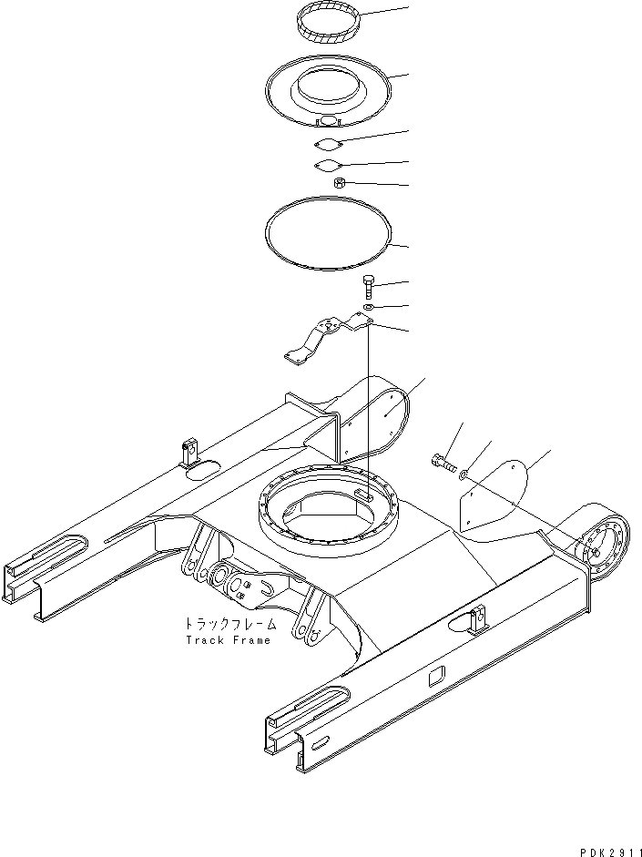
1
2
3
4
5
6
7
8
9
10
10
11
12
FIT
1:1
100%

Артикул

Название

Примечание

Количество

1

21W-30-32120

BRACKET

2

01010-81230

BOLT

3

01643-31232

WASHER

|4

201-30-74220

COVER ASS'Y

4

COVER

5

20X-30-21141

SEAL

6

201-30-74250

SEAL

7

203-46-56160

COVER

8

203-46-31181

GASKET

9

01580-11008

NUT

10

201-62-76211

COVER

11

01010-81025

BOLT

12

01643-31032

WASHER

Выбрано товаров: 13