Запчасти Komatsu PC75UU-3 ПАЛЕЦ СТРЕЛЫ(КРОМЕ ЯПОН.)(№9-) ОСНОВНАЯ РАМА И ЕЕ ЧАСТИ

Схема запчастей Komatsu PC75UU-3 - ПАЛЕЦ СТРЕЛЫ(КРОМЕ ЯПОН.)(№9-) ОСНОВНАЯ РАМА И ЕЕ ЧАСТИ
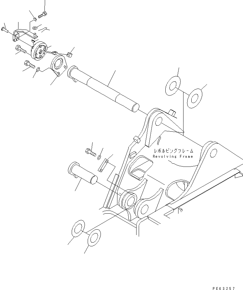
1
2
3
4
5
6
7
8
9
10
11
12
13
14
15
16
17
18
19
20
21
22
FIT
1:1
100%

Артикул

Название

Примечание

Количество

1

21W-70-21550

PIN

2

203-70-34260

SPACER, 0.5MM

3

202-70-11640

SPACER, 1.0MM

4

21W-70-21220

PIN

5

21W-70-11310

PLATE

6

01010-81230

BOLT

7

01643-31232

WASHER

8

21Y-70-14710

SPACER, 1.0MM

9

21Y-70-14850

SPACER, 2.0MM

10

21W-70-21523

LEVER

10

21W-70-21522

LEVER

11

04010-00310

KEY

12

01010-80835

BOLT

13

01602-20825

WASHER

14

7861-92-8101

POTENTIOMETER

15

04205-10522

PIN

16

01252-40625

BOLT

17

21W-70-21591

CUSHION

18

21W-70-21512

PLATE

18

21W-70-21511

PLATE,BOOM

19

01010-81240

BOLT

19

01010-81230

BOLT

20

01643-31032

WASHER

21

04050-13022

PIN

22

01641-21223

WASHER

Выбрано товаров: 25