Запчасти Komatsu PC78MR-6 ПРАВ. КРЫШКА(YELНИЗ.) ЧАСТИ КОРПУСА

Схема запчастей Komatsu PC78MR-6 - ПРАВ. КРЫШКА(YELНИЗ.) ЧАСТИ КОРПУСА
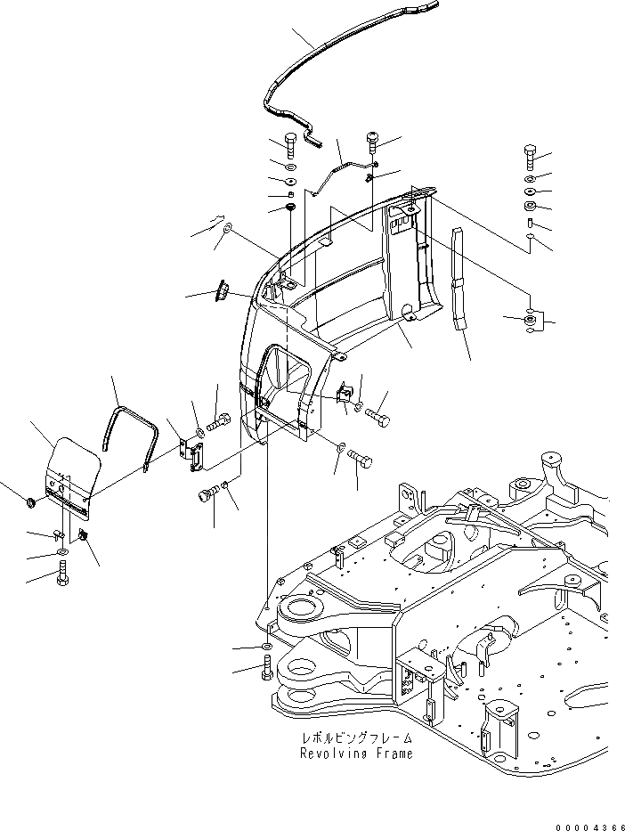
1
2
3
4
5
5
6
6
7
8
9
10
11
12
13
14
15
16
17
18
19
20
21
22
23
24
25
26
27
28
29
30
30
31
32
33
33
34
35
36
37
FIT
1:1
100%

Артикул

Название

Примечание

Количество

|$1

21W-46-48142

COVER ASS'Y

1

01010-80620

BOLT

2

01643-30623

WASHER

3

01010-81020

BOLT

4

01643-31032

WASHER

5

01010-81225

BOLT

6

01643-31232

WASHER

7

01023-10410

SCREW

8

01023-10512

SCREW

9

01643-30823

WASHER

10

04052-10833

PIN,SNAP

11

08037-02512

GROMMET

12

20B-54-12210

SPRING

13

20R-54-11460

SPRING

14

21W-46-48112

COVER

15

21W-46-48121

COVER

16

21W-46-48151

HINGE

17

21W-46-41641

SEAL

18

21W-46-41660

GROMMET

19

21W-46-41670

BRACKET

20

21W-46-41711

LOCK ASS'Y

20

21W-46-41710

LOCK ASS'Y

21

21W-46-48130

SEAL

22

21W-46-41750

LOCK ASS'Y

23

21W-46-41780

SHEET

24

21W-54-41361

ROD

25

566-54-11340

GROMMET

26

01010-81230

BOLT

27

130-43-64260

COLLAR

28

01010-81270

BOLT

29

01643-31232

WASHER

30

113-03-21160

SEAT

31

515-02-11330

BUSHING

32

566-35-42430

PLATE

33

07000-12016

O-RING

34

01010-81240

BOLT

35

01643-31232

WASHER

36

419-54-11270

SPACER

37

566-35-42430

PLATE

Выбрано товаров: 0