Качественные детали и логистика
Оригинальные и аналоговые запчасти с доставкой по России, Казахстану и Беларуси
©2022 PartSell ООО "Система" ИНН 2463123282 ОГРН 1212400004838
Центральный офис: г. Красноярск, Академика Киренского, д.87, пом.4
Телефон: 8 (800) 777-65-74 Email: zakaz@partsell.ru
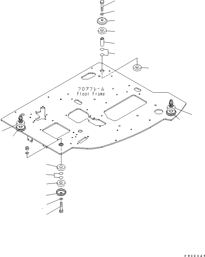
КРЕПЛЕНИЕ ПОЛА (КАБИНА)
№
Артикул
Название
Примечание
Количество
1
21W-54-42610
COLLAR
2
21W-54-42510
CUSHION
3
07000-03025
O-RING
4
21W-54-42561
5
21W-54-42270
BOLT
6
01643-31645
WASHER
7
22W-75-16460
8
Выбрано товаров: 0