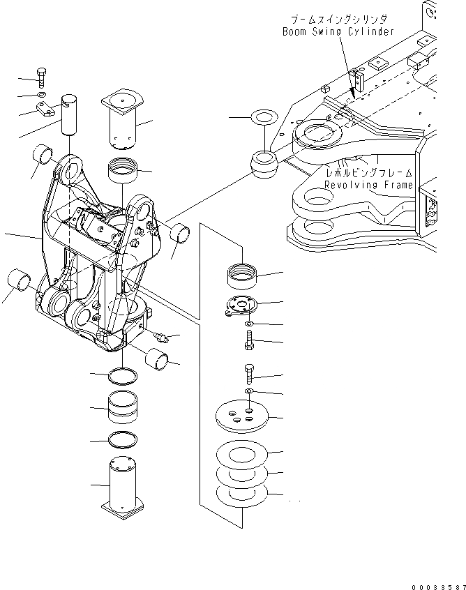
Запчасти Komatsu PC78MR-6 КОРПУС ПОВОРОТА СТРЕЛЫ И ПАЛЕЦ(№9-) ОСНОВНАЯ РАМА И ЕЕ ЧАСТИ

Схема запчастей Komatsu PC78MR-6 - КОРПУС ПОВОРОТА СТРЕЛЫ И ПАЛЕЦ(№9-) ОСНОВНАЯ РАМА И ЕЕ ЧАСТИ
1
2
2
3
3
4
4
5
6
6
7
8
8
9
10
11
12
13
14
15
16
17
18
19
20
21
22
FIT
1:1
100%

Артикул

Название

Примечание

Количество

|$1

21W-70-01513

SWING BRACKET ASS'Y

|$2

21W-70-01512

SWING BRACKET ASS'Y

|$3

21W-70-01511

SWING BRACKET ASS'Y

1

BRACKET

1

BRACKET

2

20T-70-81620

BUSHING

3

21W-70-48130

BUSHING

4

21W-70-48140

BUSHING

5

21W-70-48122

BUSHING

5

21W-70-48121

BUSHING

6

07145-00110

SEAL,DUST

7

07020-00000

FITTING,GREASE

8

21W-70-48262

PIN

9

21W-70-48291

PLATE

10

01010-81030

BOLT

11

01643-31032

WASHER

12

21W-70-48272

HOLDER

13

01010-81030

BOLT

14

01643-31032

WASHER

15

21W-70-48151

SPACER, 1.5MM

16

21W-70-48160

SPACER

17

21W-70-48170

SPACER

18

201-70-58140

PIN

19

21W-70-48320

PLATE

20

01010-81440

BOLT

21

20D-14-11510

WASHER

22

21Y-70-14710

SPACER, 1.0MM

Выбрано товаров: 27