Качественные детали и логистика
Оригинальные и аналоговые запчасти с доставкой по России, Казахстану и Беларуси
©2022 PartSell ООО "Система" ИНН 2463123282 ОГРН 1212400004838
Центральный офис: г. Красноярск, Академика Киренского, д.87, пом.4
Телефон: 8 (800) 777-65-74 Email: zakaz@partsell.ru
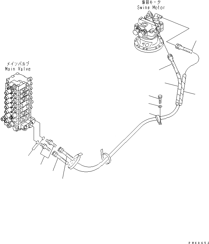
ЛИНИЯ ПОВОРОТА
№
Артикул
Название
Примечание
Количество
1
07236-10422
ELBOW
2
07002-12034
O-RING
3
21W-62-31930
HOSE, 1200MM,WHITE
4
HOSE, 1200MM,BROWN
5
04435-52210
CLIP
6
01010-81025
BOLT
7
01643-31032
WASHER
8
203-62-58650
COVER
Выбрано товаров: 0