Запчасти Komatsu PC78US-5 P.P.C ОСНОВН. ЛИНИЯ (/) ГИДРАВЛИКА

Схема запчастей Komatsu PC78US-5 - P.P.C ОСНОВН. ЛИНИЯ (/) ГИДРАВЛИКА
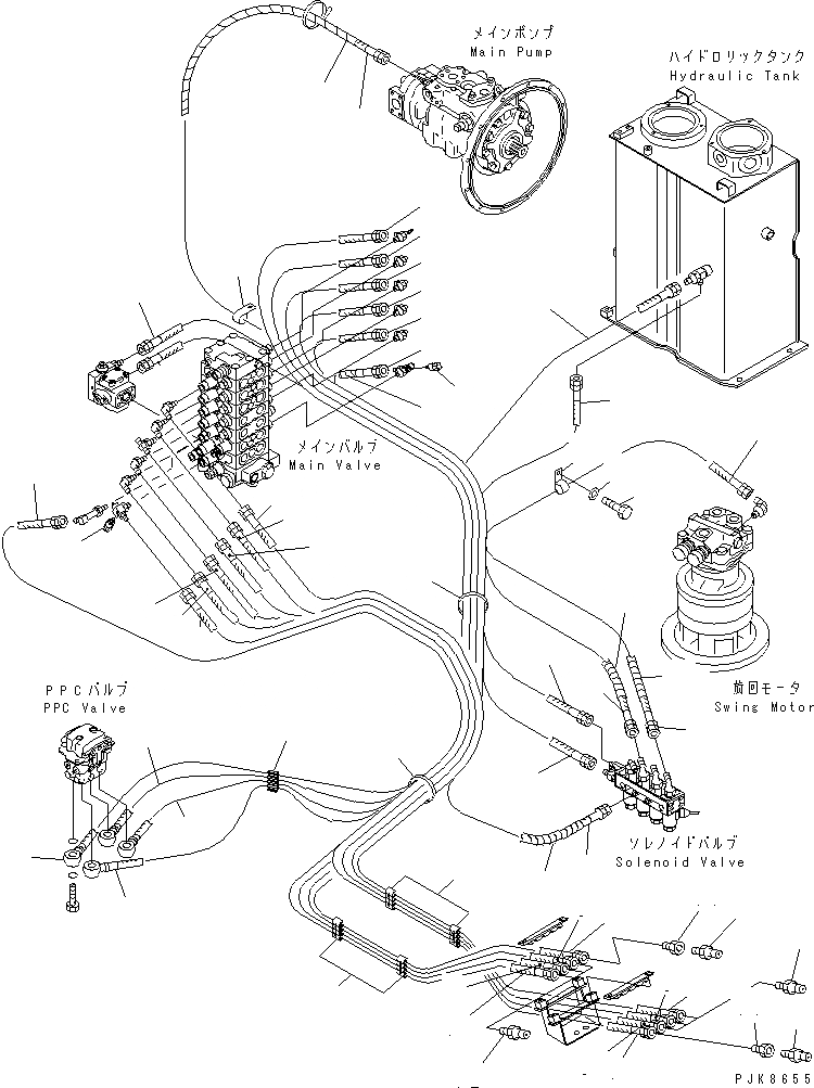
1
1
2
2
3
3
4
4
5
5
6
6
7
7
8
8
9
9
10
10
11
11
12
12
12
12
13
13
14
15
16
16
17
17
17A
17A
18
18
19
19
19A
20
20
21
21
22
22
23
23
24
24
25
26
26
27
28
29
30
FIT
1:1
100%

Артикул

Название

Примечание

Количество

1

08210-01203

SPIRAL TUBE

1

08210-01203

SPIRAL TUBE

2

07184-00221

HOSE, 2100MM,BROWN

3

07184-00223

HOSE, 2300MM,ORANGE

4

07184-00224

HOSE, 2400MM,WHITE

5

07184-00227

HOSE, 2700MM,BLACK

6

07184-00227

HOSE, 2700MM,GREEN

7

07184-00227

HOSE, 2700MM,BLUE

8

201-62-71250

HOSE, 2360MM,RED

9

20T-62-77821

HOSE, 2220MM,YELLOW

10

22T-43-21320

HOSE, 2250MM,GREEN-WHITE

11

201-62-64680

NIPPLE

12

20U-62-22180

NIPPLE

13

20Y-62-22170

CLAMP

14

08210-01203

SPIRAL TUBE

15

08210-01215

SPIRAL TUBE

16

07184-00218

HOSE, 1800MM,YWLLOW-RED

17

07184-00232

HOSE,BLUE-WHITE

17A

21W-62-38480

HOSE

18

206-06-61130

SWITCH

19

08210-01203

SPIRAL TUBE

19A

07184-00318

HOSE, 1800MM,BLACK-BLUE

20

21W-62-31450

HOSE, 1600MM,GREEN-RED

21

21W-62-38190

HOSE, 2200MM,GREEN-YELLOW

22

21W-62-38190

HOSE, 2200MM,ORANGE-YWLLOW

23

22B-62-13140

HOSE, 2050MM,BLACK-YELLOW

24

22B-62-13140

HOSE, 2050MM,BROWN-YELLOW

25

20Y-62-22170

CLAMP

26

08034-00519

BAND

27

08036-01414

CLIP

28

01010-81020

BOLT

29

01643-31032

WASHER

30

04434-51412

CLIP

Выбрано товаров: 33