Запчасти Komatsu PC78US-5 P.P.C ОСНОВН. ЛИНИЯ (/) ГИДРАВЛИКА

Схема запчастей Komatsu PC78US-5 - P.P.C ОСНОВН. ЛИНИЯ (/) ГИДРАВЛИКА
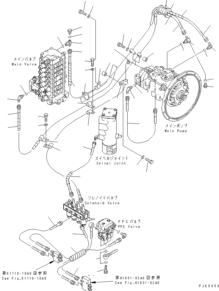
1
2
3
4
4
5
6
6
7
8
9
9
10
10
11
11
12
12
13
13
14
15
16
17
18
18
19
19
20
21
22
23
24
24
25
25
25
25
25
25
25
26
26
27
27
27
28
28
28
28
28
29
30
31
FIT
1:1
100%

Артикул

Название

Примечание

Количество

1

08210-01203

SPIRAL TUBE

2

201-62-79450

HOSE, 850MM,YELLOW-YELLOW

3

21W-62-32520

HOSE, 300MM,BLACK-BLUE

4

20U-62-23650

HOSE, 400MM,RED-YELLOW

5

203-62-32440

COVER

6

21W-62-31430

HOSE, 1700MM

7

08210-01207

SPIRAL TUBE

7

08210-01206

SPIRAL TUBE

8

08210-01203

SPIRAL TUBE

|$22

21W-62-31901

TEE ASS'Y

9

21W-62-31872

TEE

10

07040-11007

PLUG

11

07002-11023

O-RING

12

07002-11423

O-RING

13

21W-62-31430

HOSE, 1700MM

14

08210-01207

SPIRAL TUBE

15

08210-01203

SPIRAL TUBE

16

21W-62-38390

BAND

17

21W-62-33340

HOSE, 620MM

18

07235-10210

ELBOW

19

07002-11423

O-RING

20

20Y-62-16170

BOLT

21

07000-12015

O-RING

22

07095-00317

CUSHION

23

08034-00414

BAND

24

195-33-11220

SPACER

25

04434-51412

CLIP

26

01010-81045

BOLT

27

01010-81020

BOLT

28

01643-31032

WASHER

29

08034-30521

BAND

30

07235-10210

ELBOW

31

07002-11423

O-RING

Выбрано товаров: 33