Запчасти Komatsu PC78US-6 КРЕПЛЕНИЕ ПОЛА (КАБИНА) КАБИНА ОПЕРАТОРА И СИСТЕМА УПРАВЛЕНИЯ

Схема запчастей Komatsu PC78US-6 - КРЕПЛЕНИЕ ПОЛА (КАБИНА) КАБИНА ОПЕРАТОРА И СИСТЕМА УПРАВЛЕНИЯ
1
1
1
1
2
2
2
2
2
2
3
3
4
5
6
7
8
FIT
1:1
100%

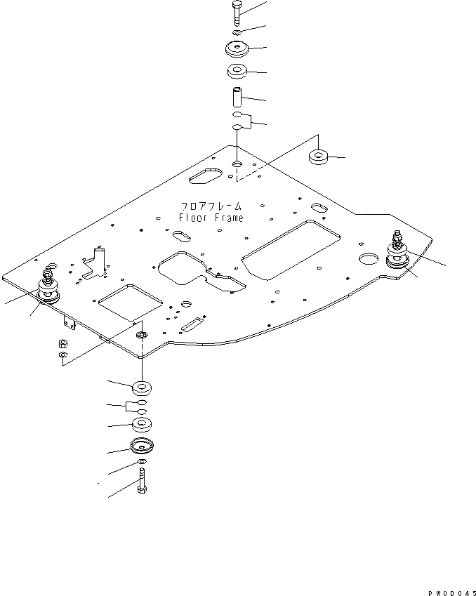
Артикул

Название

Примечание

Количество

1

21W-54-42610

COLLAR

2

21W-54-42510

CUSHION

3

07000-03025

O-RING

4

21W-54-42561

COLLAR

5

21W-54-42270

BOLT

6

01643-31645

WASHER

7

22W-75-16460

BOLT

8

01643-31645

WASHER

Выбрано товаров: 0