Запчасти Komatsu PC78US-6 ПРОТИВОВЕС (БЕЗ ОТВАЛ)(YELНИЗ.)(№-) ЧАСТИ КОРПУСА

Схема запчастей Komatsu PC78US-6 - ПРОТИВОВЕС (БЕЗ ОТВАЛ)(YELНИЗ.)(№-) ЧАСТИ КОРПУСА
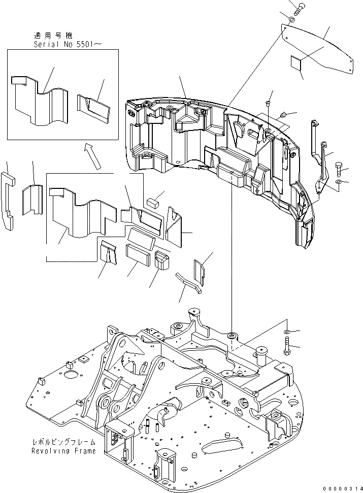
1
2
3
4
5
6
7
8
9
10
11
12
12
13
14
14
15
15
16
17
18
19
20
21
22
23
FIT
1:1
100%

Артикул

Название

Примечание

Количество

1

21W-46-45111WF

COUNTERWEIGHT

2

21W-46-42211XC

PLATE

2

21W-46-42210XC

PLATE

3

22B-00-11240

WASHER

4

22B-00-11230

SCREW

5

21W-46-42410

SHEET

6

21W-46-42420

SHEET

7

21W-46-42430

SHEET

8

21W-46-42440

SHEET

9

21W-46-42540

SHEET

10

21W-46-42550

SHEET

11

21W-46-42560

SHEET

12

21W-46-45411

SHEET

12

21W-46-45410

SHEET

13

21W-46-45420

SHEET

14

21W-46-45431

SHEET

14

21W-46-45430

SHEET

15

21W-46-45450

SHEET

16

21W-46-45460

SHEET

17

07049-02025

PLUG

18

22F-46-11240

CAP

19

21W-46-42250NK

BRACKET

20

01010-81025

BOLT

21

203-54-56970

WASHER

22

01011-82720

BOLT

23

01643-32780

WASHER

Выбрано товаров: 26