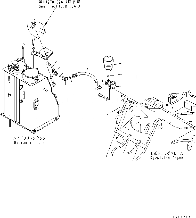
Запчасти Komatsu PC78US-6 НАВЕСНОЕ ОБОРУД-Е (АККУМУЛЯТОР) (YELНИЗ.)(№9-) ГИДРАВЛИКА

Схема запчастей Komatsu PC78US-6 - НАВЕСНОЕ ОБОРУД-Е (АККУМУЛЯТОР) (YELНИЗ.)(№9-) ГИДРАВЛИКА
1
2
3
4
5
6
7
8
9
10
FIT
1:1
100%

Артикул

Название

Примечание

Количество

1

22B-62-24460

ACCUMULATOR

1

2988-01-3630

ACCUMULATOR

2

21W-973-4270

BRACKET

3

07002-12034

O-RING

4

02896-11015

O-RING

5

02763-00505

HOSE

5

21W-973-4290

HOSE

6

02781-00516

UNION

6

02782-10516

ELBOW

7

07002-12034

O-RING

8

02896-11015

O-RING

9

21W-973-4280

ELBOW

10

07002-12034

O-RING

Выбрано товаров: 0