Запчасти Komatsu PC78US-6 РУКОЯТЬ И ЛИНИЯ КОВША(№-) ГИДРАВЛИКА

Схема запчастей Komatsu PC78US-6 - РУКОЯТЬ И ЛИНИЯ КОВША(№-) ГИДРАВЛИКА
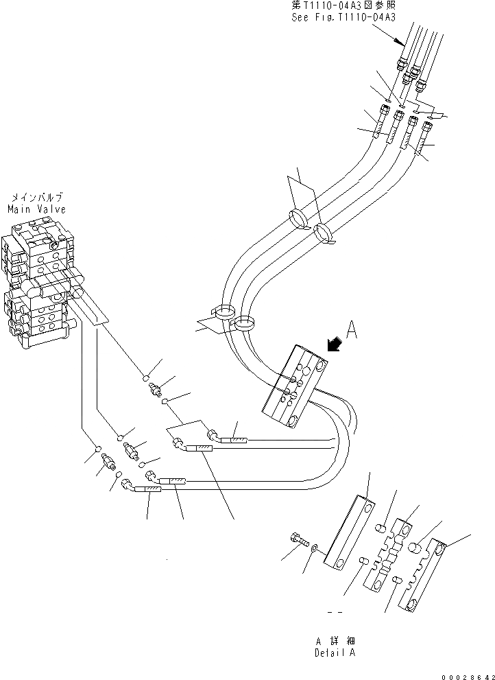
1
2
3
3
4
5
6
6
7
8
9
9
10
10
11
11
12
12
13
13
14
15
16
17
18
19
19
20
21
21
22
FIT
1:1
100%

Артикул

Название

Примечание

Количество

1

02781-00425

UNION

2

07002-12434

O-RING

3

02896-11012

O-RING

4

21W-62-42481

NIPPLE

5

07002-12434

O-RING

6

02896-11015

O-RING

7

02781-00422

UNION

8

07002-12034

O-RING

9

02896-11012

O-RING

10

21W-62-45540

HOSE, 2000MM,GREEN

10

21U-62-34730

BAND, GREEN

11

21W-62-45550

HOSE, 1970MM,ORANGE

11

21U-62-34740

BAND, ORANGE

12

21W-62-45570

HOSE, 1900MM,RED

12

21U-62-34760

BAND, RED

13

21W-62-45580

HOSE, 1930MM,BLUE

13

21U-62-34750

BAND, BLUE

14

21W-62-43270

CLAMP

15

21W-62-43280

RUBBER

16

21W-62-44460

RUBBER

17

01010-81235

BOLT

18

01643-31232

WASHER

19

08034-20519

BAND

20

21W-62-41340

PLUG

21

21W-62-41350

PLUG

22

21W-62-45240

PLUG

Выбрано товаров: 26