Запчасти Komatsu PC78US-6 РУКОЯТЬ CRANE (КОВШ СОЛЕНОИДНЫЙ КЛАПАН) (YELНИЗ.)(№-) СПЕЦ. ОПЦИИ

Схема запчастей Komatsu PC78US-6 - РУКОЯТЬ CRANE (КОВШ СОЛЕНОИДНЫЙ КЛАПАН) (YELНИЗ.)(№-) СПЕЦ. ОПЦИИ
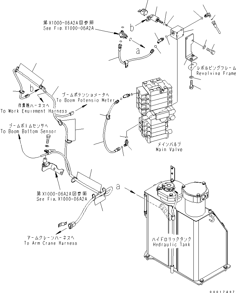
1
2
3
4
5
6
7
8
9
10
10
11
11
12
12
13
14
15
16
17
18
19
20
20
20
20
20
21
FIT
1:1
100%

Артикул

Название

Примечание

Количество

1

21W-60-41301

VALVE ASS'Y

2

21W-60-42120

SOLENOID ASS'Y

3

07000-12014

O-RING

4

UC1100593773

SPRING

5

21W-60-44320

BRACKET

6

01010-81045

BOLT

7

01643-31032

WASHER

8

01010-80820

BOLT

9

01643-30823

WASHER

10

02782-10210

ELBOW

11

07002-11423

O-RING

12

02896-11008

O-RING

13

02782-10210

ELBOW

14

07002-11423

O-RING

15

02896-11008

O-RING

16

02760-00205

HOSE

17

21W-62-47610

HOSE

18

21W-60-41310

CLIP

19

21W-62-38390

BAND

20

08034-20536

BAND

21

21W-06-44351

WIRING HARNESS

Выбрано товаров: 21