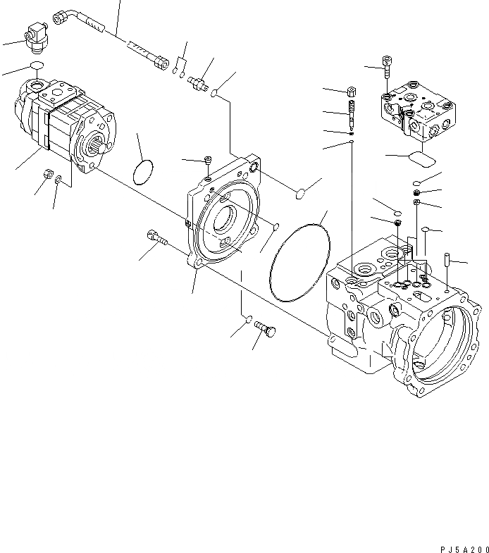
Запчасти Komatsu PC78US-6 ОСНОВН. НАСОС (/) (ДЛЯ ОТВАЛ)(№-) ОСНОВН. КОМПОНЕНТЫ И РЕМКОМПЛЕКТЫ

Схема запчастей Komatsu PC78US-6 - ОСНОВН. НАСОС (/) (ДЛЯ ОТВАЛ)(№-) ОСНОВН. КОМПОНЕНТЫ И РЕМКОМПЛЕКТЫ
1
1
2
3
3
4
5
6
7
8
9
10
11
12
13
14
15
16
17
18
19
20
21
22
23
24
25
26
27
28
29
FIT
1:1
100%

Артикул

Название

Примечание

Количество

|1

708-3T-00217

PUMP ASS'Y

|1

708-3T-00216

PUMP ASS'Y

|1

708-3T-00215

PUMP ASS'Y

1

708-2L-25480

FILTER

2

708-1S-19710

ORIFICE

3

708-2L-25490

O-RING

4

04020-00616

PIN

5

07000-11008

O-RING

6

01252-60855

BOLT

7

07000-13042

O-RING

|8

708-3T-04140

PLATE ASS'Y

8

PLATE

9

PLUG

10

07000-11008

O-RING

11

706-75-92310

O-RING

12

702-21-55520

O-RING

13

01252-61235

BOLT

14

708-3T-18210

PLUG

15

07000-11010

O-RING

16

01580-11008

NUT

17

01643-31032

WASHER

18

07000-12050

O-RING

19

708-3T-04610

PUMP ASS'Y

20

11Y-62-12810

ELBOW

21

07002-12034

O-RING

22

02781-00210

UNION

23

07002-11423

O-RING

24

02896-11008

O-RING

25

708-3T-18320

HOSE

|26

708-3T-04160

PLUG ASS'Y

26

708-3S-15810

PLUG

27

07000-11003

O-RING

28

07001-01003

RING,BACK-UP

29

708-3S-15820

NUT

Выбрано товаров: 34