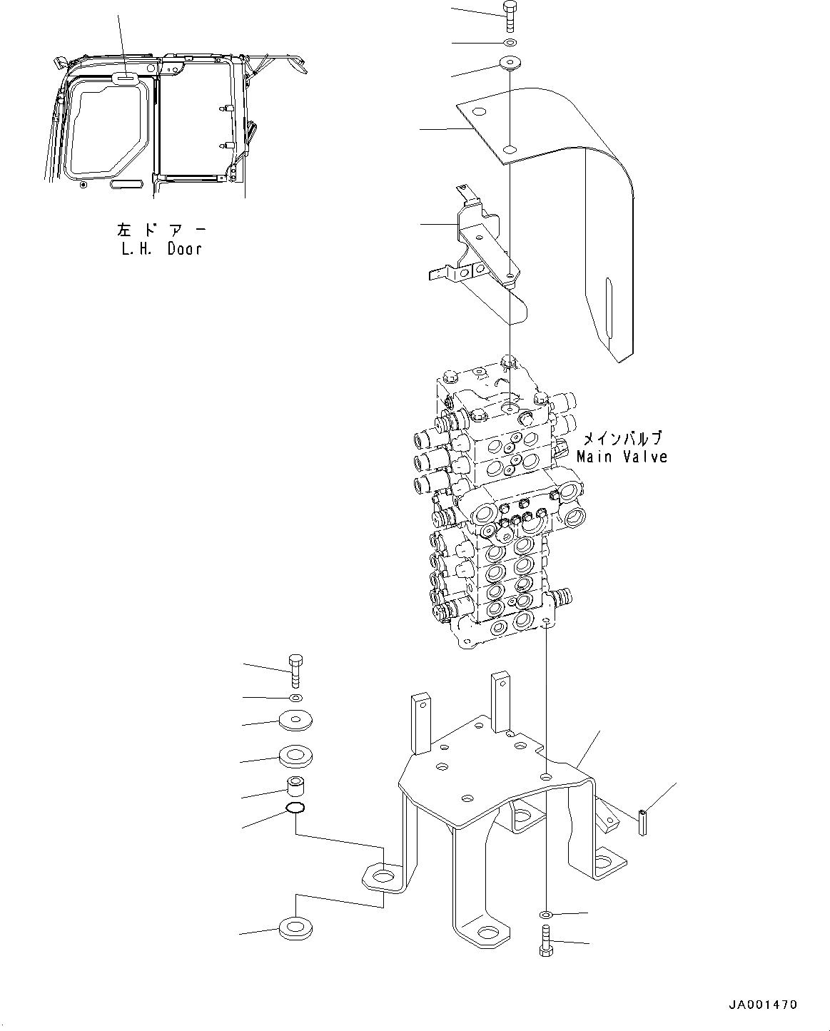
Запчасти Komatsu PC78US-8 УПРАВЛЯЮЩ. КЛАПАН, КРЕПЛЕНИЕ (№-) УПРАВЛЯЮЩ. КЛАПАН, ДЛЯ MACHINE С MULTI ОТВАЛ

Схема запчастей Komatsu PC78US-8 - УПРАВЛЯЮЩ. КЛАПАН, КРЕПЛЕНИЕ (№-) УПРАВЛЯЮЩ. КЛАПАН, ДЛЯ MACHINE С MULTI ОТВАЛ
12
13
14
11
8
9
5
4
6
2
7
3
1
4
10
15
16
FIT
1:1
100%

Артикул

Название

Примечание

Количество

1

21W-62-53411

Bracket

2

21W-62-11620

Spacer

3

07000-13025

O-ring

4

203-62-42770

Cushion

5

566-35-42430

Plate

6

01010-81245

Bolt

7

01643-31232

Washer

8

01010-81430

Bolt

9

01643-31445

Washer, Flat

10

21W-62-51741

Seal

11

21W-62-51480

Bracket

12

01010-80845

Bolt

13

01643-30823

Washer

14

21W-62-52390

Sheet

15

201-54-35890

Collar

16

201-00-61320

Plate, Caution, Operating Pattern For Blade

Выбрано товаров: 0