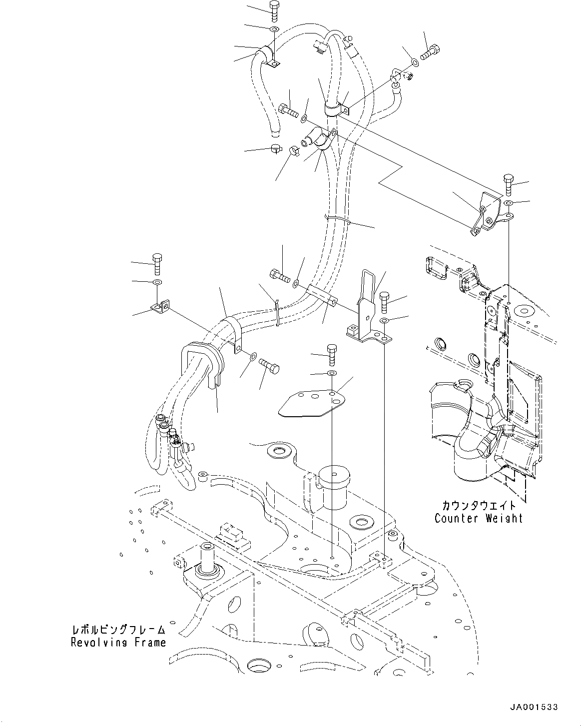
Запчасти Komatsu PC78US-8 БЛОК КОНДИЦИОНЕРА, ГИДР. ПРОВОД. ОБОГРЕВАТЕЛЯ (№-) БЛОК КОНДИЦИОНЕРА

Схема запчастей Komatsu PC78US-8 - БЛОК КОНДИЦИОНЕРА, ГИДР. ПРОВОД. ОБОГРЕВАТЕЛЯ (№-) БЛОК КОНДИЦИОНЕРА
1
2
3
4
5
6
7
8
9
10
11
12
13
14
16
15
17
18
19
20
21
22
23
24
28
29
30
1
2
3
24
12
25
26
27
FIT
1:1
100%

Артикул

Название

Примечание

Количество

1

11Y-09-11160

Clip

2

04434-53411

Clip

3

07095-20627

Cushion

4

01010-81030

Bolt

5

01643-31032

Washer

6

01010-81030

Bolt

7

01643-31032

Washer

8

04434-53412

Clip

9

07095-20627

Cushion

10

01010-81225

Bolt

11

01643-31232

Washer

12

21K-03-11190

Clip

13

01010-81030

Bolt

14

01643-31032

Washer

15

01010-81225

Bolt

16

01643-31232

Washer

17

22P-979-1880

Bracket

18

01010-81225

Bolt

19

01643-31232

Washer

20

21T-38-71260

Bracket

21

01010-81225

Bolt

22

01643-31232

Washer

23

21W-979-5150

Grommet

24

08034-20536

Band

25

22P-979-1890

Bracket

26

01010-81025

Bolt

27

01643-31032

Washer

28

22P-979-1290

Plate

29

01010-81225

Bolt

30

01643-31232

Washer

Выбрано товаров: 30