Запчасти Komatsu PC78US-8 ОСНОВН. КОНСТРУКЦИЯ, ПРОВОДКА КРЕПЛЕНИЕ, ОСНОВН. КОНСТРУКЦИЯ (№-) ОСНОВН. КОНСТРУКЦИЯ, ДЛЯ MACHINE С DOZER ОТВАЛ, С ВОЗД. ПОДВЕСКОЙ СИДЕНЬЕ ОПЕРАТОРА, С МАСТЕР КЛЮЧ, ДЛЯ СТРАН ЕС

Схема запчастей Komatsu PC78US-8 - ОСНОВН. КОНСТРУКЦИЯ, ПРОВОДКА КРЕПЛЕНИЕ, ОСНОВН. КОНСТРУКЦИЯ (№-) ОСНОВН. КОНСТРУКЦИЯ, ДЛЯ MACHINE С DOZER ОТВАЛ, С ВОЗД. ПОДВЕСКОЙ СИДЕНЬЕ ОПЕРАТОРА, С МАСТЕР КЛЮЧ, ДЛЯ СТРАН ЕС
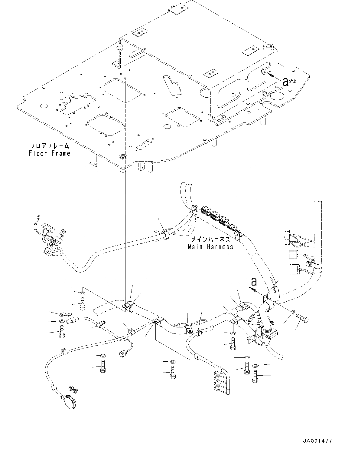
1
27
25
24
23
20
19
18
18
22
21
13
14
12
15
11
2
3
4
5
6
7
8
9
10
16
17
21
26
28
FIT
1:1
100%

Артикул

Название

Примечание

Количество

1

08211-01520

Clip

2

04434-53411

Clip

3

01010-81025

Bolt

4

01643-31032

Washer

5

01010-80816

Bolt

6

01643-30823

Washer

7

04434-52711

Clip

8

07095-20420

Cushion

9

01010-81020

Bolt

10

01643-31032

Washer

11

155-61-15350

Clip

12

22M-62-13660

Cushion

13

01010-81020

Bolt

14

01643-31032

Washer

15

04434-53411

Clip

16

01010-81020

Bolt

17

01643-31032

Washer

18

04434-53411

Clip

19

01010-81020

Bolt

20

01643-31032

Washer

21

08211-00720

Clip

22

08211-01020

Clip

23

04434-51010

Clip

24

01010-81020

Bolt

25

01643-31032

Washer

26

08193-20010

Clip

27

01010-81020

Bolt

28

01643-31032

Washer

Выбрано товаров: 0