Запчасти Komatsu PC78US-8 ОСНОВН. КОНСТРУКЦИЯ, ПРОВОДКА (№-) ОСНОВН. КОНСТРУКЦИЯ, ДЛЯ MACHINE С DOZER ОТВАЛ, С ВОЗД. ПОДВЕСКОЙ СИДЕНЬЕ ОПЕРАТОРА, С МАСТЕР КЛЮЧ, ДЛЯ СТРАН ЕС, С СИГНАЛИЗ. ПЕРЕГРУЗКИ

Схема запчастей Komatsu PC78US-8 - ОСНОВН. КОНСТРУКЦИЯ, ПРОВОДКА (№-) ОСНОВН. КОНСТРУКЦИЯ, ДЛЯ MACHINE С DOZER ОТВАЛ, С ВОЗД. ПОДВЕСКОЙ СИДЕНЬЕ ОПЕРАТОРА, С МАСТЕР КЛЮЧ, ДЛЯ СТРАН ЕС, С СИГНАЛИЗ. ПЕРЕГРУЗКИ
25
26
27
1
1
4
2
7
6
7
6
4
6
2
5
6
3
6
7
7
6
9
10
11
12
13
14
9
10
9
10
15
16
17
18
19
20
21
28
29
30
31
8
33
32
24
23
22
1
FIT
1:1
100%

Артикул

Название

Примечание

Количество

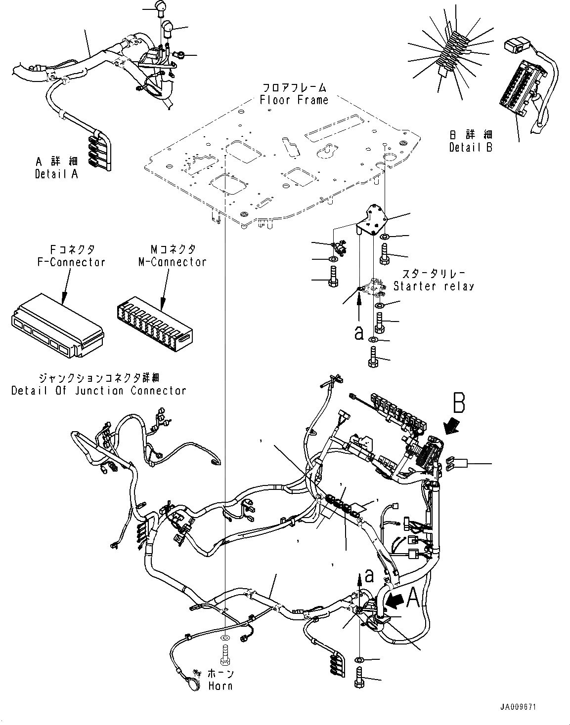
1

21W-06-51612

Wiring Harness

1

21W-06-51611

Wiring Harness

2

08041-03000

Fuse, 30Amp.

3

08041-02500

Fuse, 25Amp.

4

08041-02000

Fuse, 20Amp.

5

08041-01500

Fuse, 15Amp.

6

08041-01000

Fuse, 10Amp.

7

08041-00500

Fuse, 5Amp.

8

20T-06-81230

Fusible Link, 45Amp.

9

HM6440-0129

F-Connector, Pink

10

HM6440-0128

M-Connector, Pink

11

HM6400-0013

F-Connector, Green

12

HM6409-0072

M-Connector, Green

13

HM6400-0012

F-Connector, Black

14

HM6409-0071

M-Connector, Black

15

22P-06-11840

Bracket

16

600-815-2170

Switch, Heater

17

01010-80616

Bolt

18

01643-30623

Washer

19

01010-80816

Bolt

20

01643-30823

Washer

21

04434-50610

Clip

22

04434-51910

Clip

23

01010-81020

Bolt

24

01643-31032

Washer

25

08038-02027

Cap, Terminal

26

08038-04030

Cap, Terminal

27

08038-00519

Cap, Terminal

28

01010-81020

Bolt

29

01643-31032

Washer

30

01010-80816

Bolt

31

01643-30823

Washer

32

22B-54-23221

Grommet

33

08034-20536

Band

Выбрано товаров: 34