Качественные детали и логистика
Оригинальные и аналоговые запчасти с доставкой по России, Казахстану и Беларуси
©2022 PartSell ООО "Система" ИНН 2463123282 ОГРН 1212400004838
Центральный офис: г. Красноярск, Академика Киренского, д.87, пом.4
Телефон: 8 (800) 777-65-74 Email: zakaz@partsell.ru
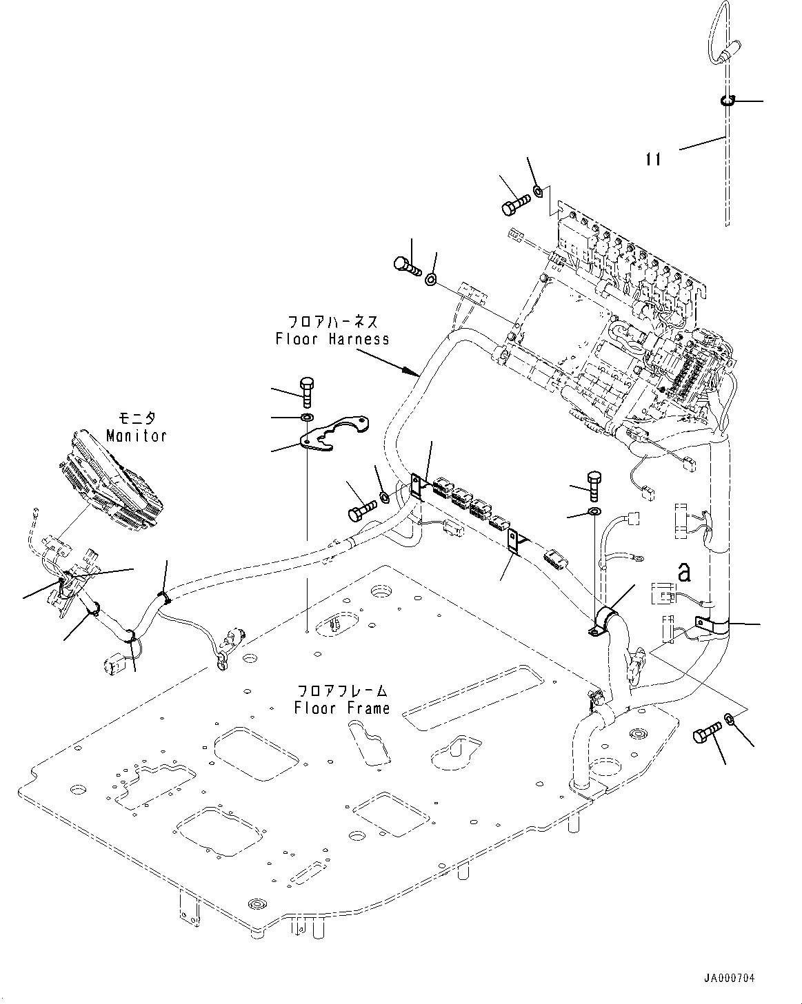
ПЕРЕДН. COVER, КРЕПЛЕНИЕ (№-)
№
Артикул
Название
Примечание
Количество
1
08211-01520
Clip
2
08034-20519
Band
3
581-04-22290
4
01010-81020
Bolt
5
01643-31032
Washer
6
01010-80812
7
01643-30823
8
22P-53-13241
Cover
9
01010-D0825
10
01643-70823
Выбрано товаров: 0