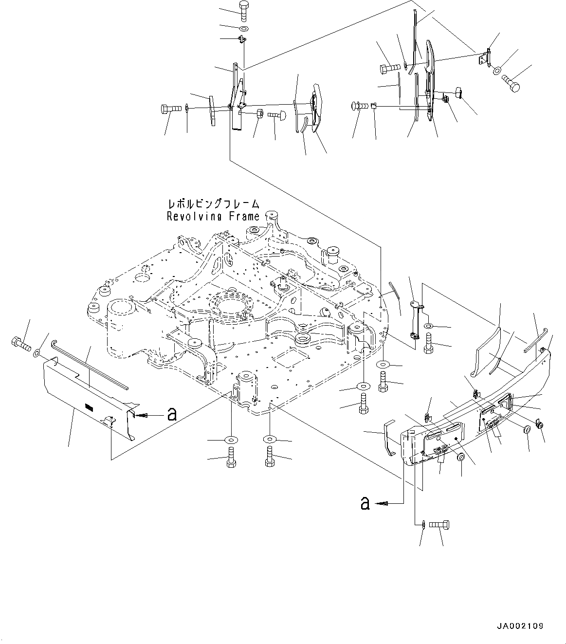
Запчасти Komatsu PC78US-8 БОКОВ. КРЫШКА, (№-) БОКОВ. КРЫШКА, ЛЕВ., С DUSTЗАЩИТА COVER, ДЛЯ СТРАН ЕС

Схема запчастей Komatsu PC78US-8 - БОКОВ. КРЫШКА, (№-) БОКОВ. КРЫШКА, ЛЕВ., С DUSTЗАЩИТА COVER, ДЛЯ СТРАН ЕС
48
49
47
46
45
43
42
11
9
9
32
31
41
40
39
38
37
36
35
51
33
32
31
29
28
27
26
25
24
23
21
22
14
15
13
12
11
10
9
8
7
6
4
3
2
19
44
17
16
5
1
20
34
54
56
50
53
55
52
18
30
FIT
1:1
100%

Артикул

Название

Примечание

Количество

1

22P-54-11511

Cover

2

22P-54-12850

Cover

3

22P-54-12681

Stopper,Welded

4

20N-54-71440

Hinge,Welded

5

22P-54-12860

Cover

6

22P-54-12681

Stopper,Welded

7

20N-54-71440

Hinge,Welded

8

22P-54-12531

Sheet

9

21W-46-41530

Seal

10

22B-46-24361

Lock Assembly

11

08037-02512

Grommet

12

01010-81235

Bolt

13

175-54-34170

Washer

14

01010-81225

Bolt

15

01643-31232

Washer

16

01010-81235

Bolt

17

01643-31232

Washer

18

21W-46-41530

Seal

19

21W-54-51161

Cover

20

22P-54-12411

Sheet

21

01010-81240

Bolt

22

175-54-34170

Washer

23

01010-81225

Bolt

24

01643-31232

Washer

25

22P-54-12230

Seal

26

22P-54-13110

Cover

27

22B-46-24180

Spring

28

01023-10512

Screw

29

20Y-54-29232

Bar

30

22P-54-11141

Hinge

31

01010-81225

Bolt

32

01643-31232

Washer

33

22P-54-11881

Bracket

34

22P-54-11171

Cover

35

01010-81225

Bolt

36

01643-31232

Washer

37

22B-46-24361

Lock Assembly

38

21W-54-51580

Catcher

39

22P-54-12810

Bracket

40

01010-81225

Bolt

41

01643-31232

Washer

42

20Y-54-11611

Stopper

43

01580-11008

Nut

44

21W-54-51370

Sheet

45

01010-81240

Bolt

46

175-54-34170

Washer

47

22P-54-12181

Bracket

48

01010-81240

Bolt

49

175-54-34170

Washer

50

21W-54-51460

Sheet

51

21W-54-51480

Sheet

52

21W-54-51490

Sheet

53

21W-54-51550

Sheet

54

21W-54-51560

Sheet

55

21W-54-51570

Sheet

56

21W-54-51380

Seal

Выбрано товаров: 56