Качественные детали и логистика
Оригинальные и аналоговые запчасти с доставкой по России, Казахстану и Беларуси
©2022 PartSell ООО "Система" ИНН 2463123282 ОГРН 1212400004838
Центральный офис: г. Красноярск, Академика Киренского, д.87, пом.4
Телефон: 8 (800) 777-65-74 Email: zakaz@partsell.ru
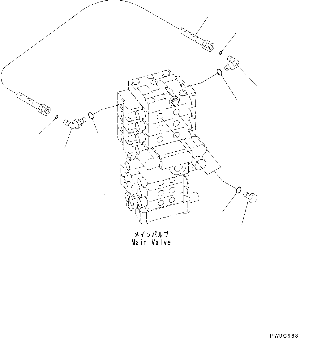
ДОПОЛН. АКТУАТОР ТРУБЫ (№-)
№
Артикул
Название
Примечание
Количество
1
07040-12012
Plug
2
07002-12034
O-ring
3
02782-10210
Elbow
4
07002-11423
5
02896-11008
6
21W-62-43330
Hose
Выбрано товаров: 0