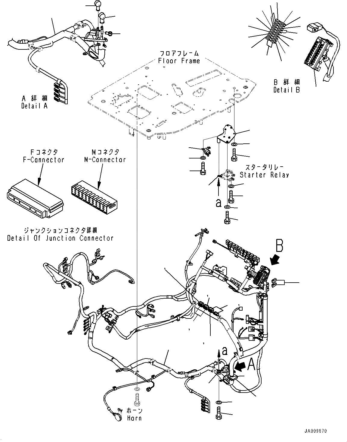
Запчасти Komatsu PC78US-8 ОСНОВН. КОНСТРУКЦИЯ, ПРОВОДКА (№-) ОСНОВН. КОНСТРУКЦИЯ, ДЛЯ MACHINE С DOZER ОТВАЛ, С ВОЗД. ПОДВЕСКОЙ СИДЕНЬЕ ОПЕРАТОРА, С AM-FM РАДИО ДЛЯ NORTH, CENTRAL И SOUTH AM

Схема запчастей Komatsu PC78US-8 - ОСНОВН. КОНСТРУКЦИЯ, ПРОВОДКА (№-) ОСНОВН. КОНСТРУКЦИЯ, ДЛЯ MACHINE С DOZER ОТВАЛ, С ВОЗД. ПОДВЕСКОЙ СИДЕНЬЕ ОПЕРАТОРА, С AM-FM РАДИО ДЛЯ NORTH, CENTRAL И SOUTH AM
24
25
26
1
1
3
2
6
5
6
3
5
2
4
5
6
5
6
5
3
5
8
9
10
11
12
13
8
9
8
9
14
15
16
17
18
19
20
27
28
29
30
7
32
31
23
22
21
1
FIT
1:1
100%

Артикул

Название

Примечание

Количество

1

21W-06-51114

Wiring Harness

1

21W-06-51113

Wiring Harness

2

08041-03000

Fuse, 30Amp.

3

08041-02000

Fuse, 20Amp.

4

08041-01500

Fuse, 15Amp.

5

08041-01000

Fuse, 10Amp.

6

08041-00500

Fuse, 5Amp.

7

20T-06-81230

Fusible Link, 45Amp.

8

HM6440-0129

F-Connector, Pink

9

HM6440-0128

M-Connector, Pink

10

HM6400-0013

F-Connector, Green

11

HM6409-0072

M-Connector, Green

12

HM6400-0012

F-Connector, Black

13

HM6409-0071

M-Connector, Black

14

22P-06-11840

Bracket

15

600-815-2170

Switch, Heater, Ribbon Heater Relay

16

01010-80616

Bolt

17

01643-30623

Washer

18

01010-80816

Bolt

19

01643-30823

Washer

20

04434-50610

Clip

21

04434-51910

Clip

22

01010-81020

Bolt

23

01643-31032

Washer

24

08038-02027

Cap, Terminal

25

08038-04030

Cap, Terminal

26

08038-00519

Cap, Terminal

27

01010-81020

Bolt

28

01643-31032

Washer

29

01010-80816

Bolt

30

01643-30823

Washer

31

22B-54-23221

Grommet

32

08034-20536

Band

Выбрано товаров: 0