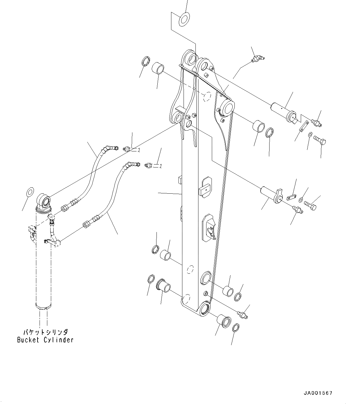
Запчасти Komatsu PC78US-8 РУКОЯТЬ, РУКОЯТЬ И ПАЛЕЦ (№-) РУКОЯТЬ, MM, С -ДОПОЛН. АКТУАТОР ТРУБЫ

Схема запчастей Komatsu PC78US-8 - РУКОЯТЬ, РУКОЯТЬ И ПАЛЕЦ (№-) РУКОЯТЬ, MM, С -ДОПОЛН. АКТУАТОР ТРУБЫ
6
4
20
15
17
16
19
1
18
10
11
9
8
13
5
22
3
21
2
22
3
21
2
4
20
12
7
14
7
23
24
FIT
1:1
100%

Артикул

Название

Примечание

Количество

|$0

21W-973-0582

Arm Assembly

|$1

21W-973-0581

Arm Assembly

|$2

21W-973-0580

Arm Assembly

1

Arm

1

Arm

1

Arm

2

21W-70-41361

Bushing

3

20X-70-22140

Bushing

4

21W-70-51340

Bushing

4

21W-70-41621

Bushing

5

07020-00000

Fitting, Grease

6

07020-00900

Fitting, Grease

7

21W-62-44230

Hose

8

21W-70-44321

Pin

9

205-70-66580

Plate

10

01010-81230

Bolt

11

01643-31232

Washer

12

21Y-70-14770

Spacer, T=1.0mm

13

07020-00000

Fitting, Grease

14

22P-70-11311

Pin

15

205-70-66580

Plate

16

01010-81230

Bolt

17

01643-31232

Washer

18

22C-70-31510

Spacer, T=1.0mm

19

07020-00000

Fitting, Grease

20

07145-00060

Seal, Dust

21

21W-70-41430

Seal

22

130-09-12931

Seal

23

21W-62-51660

Tube

|$29

21W-62-51660

Tube

24

21W-62-51670

Tube

|$31

21W-62-51670

Tube

Выбрано товаров: 32