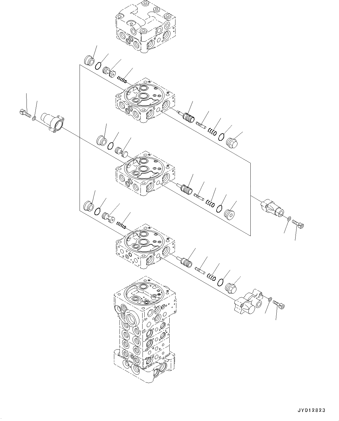
Запчасти Komatsu PC78US-8 УПРАВЛЯЮЩ. КЛАПАН, ВНУТР. ЧАСТИ (/) (№-) УПРАВЛЯЮЩ. КЛАПАН, С -ДОПОЛН. АКТУАТОР ТРУБЫ, ДЛЯ MACHINE С MULTI ОТВАЛ

Схема запчастей Komatsu PC78US-8 - УПРАВЛЯЮЩ. КЛАПАН, ВНУТР. ЧАСТИ (/) (№-) УПРАВЛЯЮЩ. КЛАПАН, С -ДОПОЛН. АКТУАТОР ТРУБЫ, ДЛЯ MACHINE С MULTI ОТВАЛ
3
2
4
5
6
7
8
9
11
10
12
14
13
15
16
17
15
12
17
15
17
17
15
17
10
16
3
2
13
17
3
1
FIT
1:1
100%

Артикул

Название

Примечание

Количество

|$0

723-28-51101

Valve, Control

|$1

Body Group

1

01252-60635

Bolt, Hexagon Socket Head

2

01252-60630

Bolt, Hexagon Socket Head

3

01641-20608

Washer

4

Valve

5

Valve

6

Valve

7

Valve

8

Valve

9

Valve

10

Piston

11

Piston

12

723-26-14220

Spring

13

723-26-14240

Spring

14

723-26-14140

Spring

15

723-26-15230

Plug

16

723-26-15370

Plug

17

07002-12434

O-ring

Выбрано товаров: 19