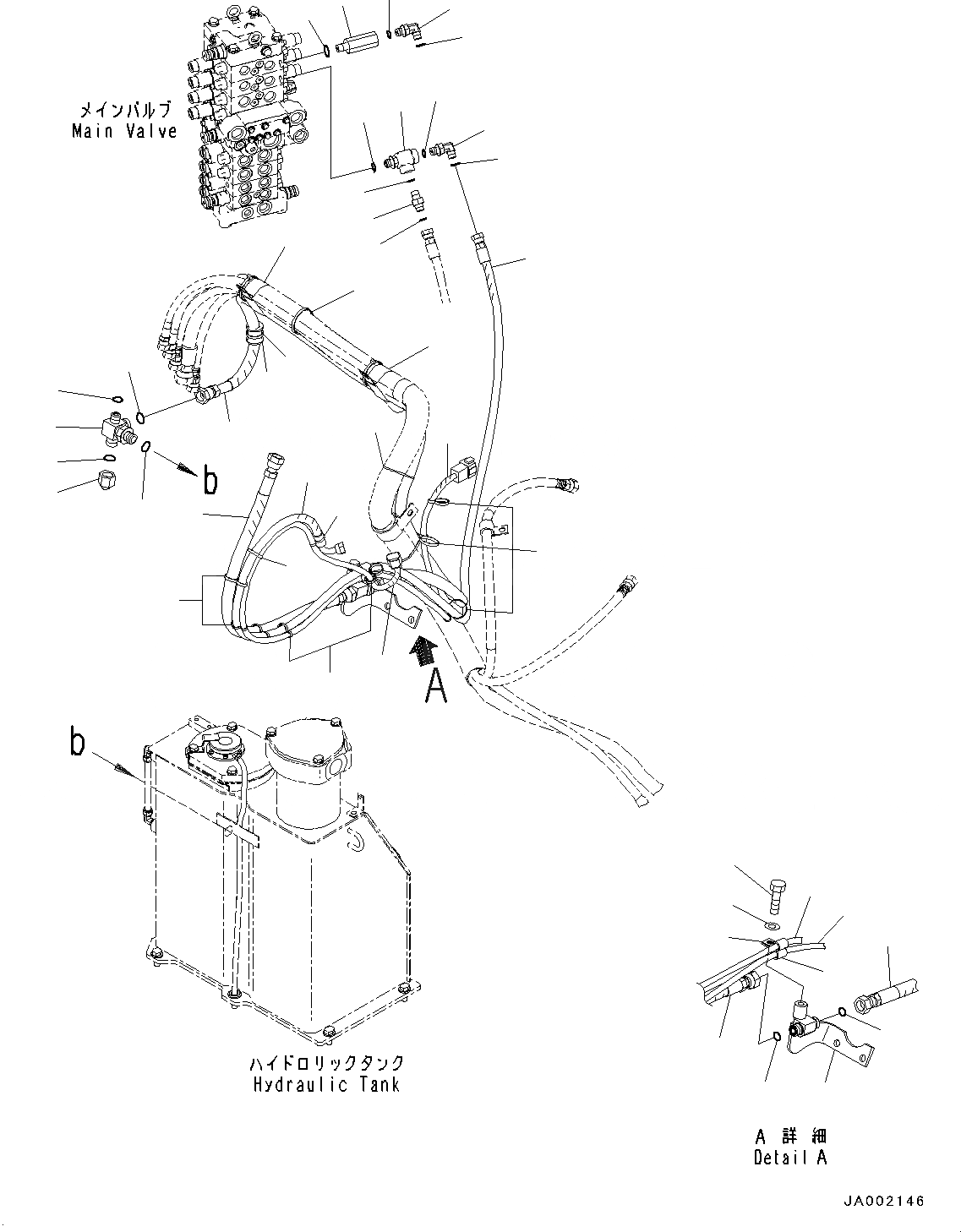
Запчасти Komatsu PC78US-8 ДРЕНАЖН. ТРУБЫ, PPC И ДРЕНАЖН. ТРУБЫ (№-) ДРЕНАЖН. ТРУБЫ, С СТРЕЛА ANTI-DROP КЛАПАН, СИГНАЛИЗ. ПЕРЕГРУЗКИ

Схема запчастей Komatsu PC78US-8 - ДРЕНАЖН. ТРУБЫ, PPC И ДРЕНАЖН. ТРУБЫ (№-) ДРЕНАЖН. ТРУБЫ, С СТРЕЛА ANTI-DROP КЛАПАН, СИГНАЛИЗ. ПЕРЕГРУЗКИ
28
6
7
9
4
2
32
3
2
1
16
28
29
29
29
29
33
24
22
18
21
20
23
17
19
8
9
7
9
25
26
27
30
5
30
31
16
12
11
13
15
14
11
30
28
6
10
FIT
1:1
100%

Артикул

Название

Примечание

Количество

1

21W-62-46240

Tee

2

02896-11012

O-ring

3

02896-11009

O-ring

4

07002-12034

O-ring

5

02789-10422

Plug

6

21W-62-57620

Hose

7

21W-62-57731

Clip

8

07095-20418

Cushion

9

08034-20536

Band

10

21W-62-46591

Bracket

11

02896-11012

O-ring

12

04434-51010

Clip

13

04434-51410

Clip

14

01010-81025

Bolt

15

01643-31032

Washer

16

21W-62-46830

Hose

17

21W-62-51720

Tee

18

07002-11423

O-ring

19

02781-0021D

Union

20

07002-11423

O-ring

21

02896-11008

O-ring

22

02782-10210

Elbow

23

07002-11423

O-ring

24

02896-11008

O-ring

25

20Y-62-58480

Elbow

26

07002-11423

O-ring

27

02896-11008

O-ring

28

21W-62-56741

Hose

29

21W-62-38390

Band

30

21J-62-15940

Adapter

31

07002-11423

O-ring

32

21W-06-51180

Wiring Harness

33

08034-40521

Band

Выбрано товаров: 0