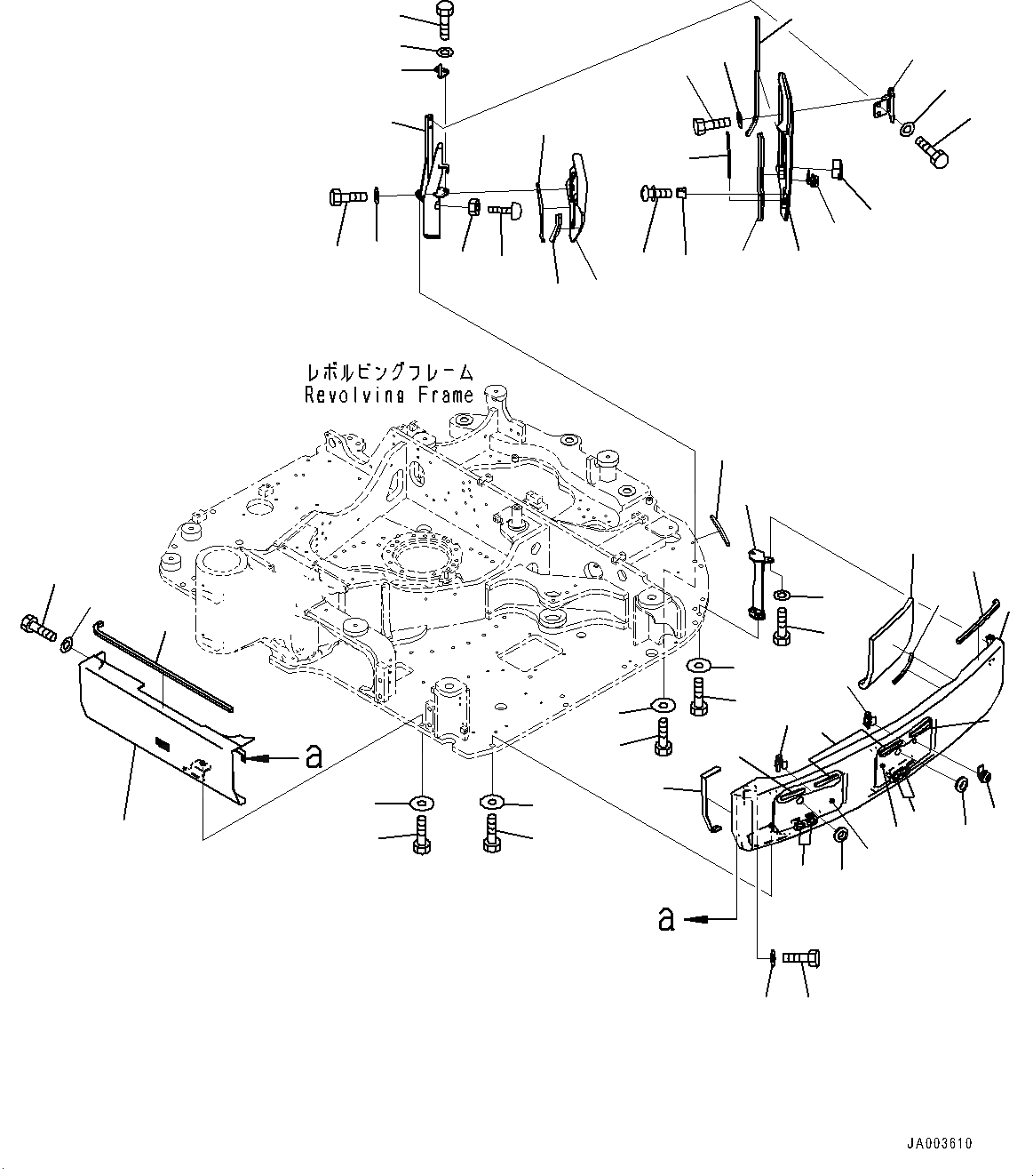
Запчасти Komatsu PC78US-8 БОКОВ. КРЫШКА, (№89-) БОКОВ. КРЫШКА, ЛЕВ., С DUSTЗАЩИТА COVER

Схема запчастей Komatsu PC78US-8 - БОКОВ. КРЫШКА, (№89-) БОКОВ. КРЫШКА, ЛЕВ., С DUSTЗАЩИТА COVER
33
46
47
45
44
43
42
41
11
9
9
31
30
40
39
38
37
36
35
34
49
32
31
30
28
27
26
25
24
23
22
20
21
14
15
13
12
11
10
9
8
7
6
4
3
5
1
2
18
17
16
19
51
48
53
52
52
50
29
FIT
1:1
100%

Артикул

Название

Примечание

Количество

1

22P-54-11511

Cover

2

22P-54-12850

Cover

3

22P-54-12681

Stopper,Welded

4

20N-54-71440

Hinge,Welded

5

22P-54-12860

Cover

6

22P-54-12681

Stopper,Welded

7

20N-54-71440

Hinge,Welded

8

22P-54-12531

Sheet

9

21W-46-41530

Seal

10

22B-46-24361

Lock Assembly

11

08037-02512

Grommet

12

01010-81235

Bolt

13

175-54-34170

Washer

14

01010-81225

Bolt

15

01643-31232

Washer

16

01010-81235

Bolt

17

01643-31232

Washer

18

21W-54-51162

Cover

18

21W-54-51161

Cover

19

22P-54-12411

Sheet

20

01010-81240

Bolt

21

175-54-34170

Washer

22

01010-81225

Bolt

23

01643-31232

Washer

24

22P-54-12230

Seal

25

22P-54-13110

Cover

26

22B-46-24180

Spring

27

01023-10512

Screw

28

20Y-54-29232

Bar

29

22P-54-11141

Hinge

30

01010-81225

Bolt

31

01643-31232

Washer

32

22P-54-11881

Bracket

33

22P-54-11171

Cover

34

01010-81225

Bolt

35

01643-31232

Washer

36

22B-46-24361

Lock Assembly

37

21W-54-51580

Catcher

38

22P-54-12810

Bracket

39

01010-81225

Bolt

40

01643-31232

Washer

41

20Y-54-11611

Stopper

42

01580-11008

Nut

43

01010-81240

Bolt

44

175-54-34170

Washer

45

22P-54-12181

Bracket

46

01010-81245

Bolt

46

01010-81240

Bolt

47

175-54-34170

Washer

48

21W-54-51460

Sheet

49

21W-54-51480

Sheet

50

21W-54-51490

Sheet

51

21W-54-51560

Sheet

52

21W-54-51570

Sheet

53

21W-54-51380

Seal

Выбрано товаров: 0