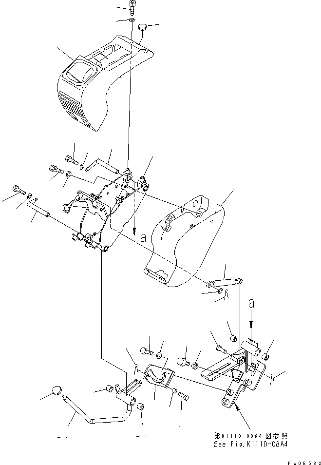
Запчасти Komatsu PC78UU-6 ОСНОВН. КОНСТРУКЦИЯ (КОНСОЛЬ)(/)(ДЛЯ НАВЕСА)(№-) КАБИНА ОПЕРАТОРА И СИСТЕМА УПРАВЛЕНИЯ

Схема запчастей Komatsu PC78UU-6 - ОСНОВН. КОНСТРУКЦИЯ (КОНСОЛЬ)(/)(ДЛЯ НАВЕСА)(№-) КАБИНА ОПЕРАТОРА И СИСТЕМА УПРАВЛЕНИЯ
1
2
3
4
5
6
7
8
9
10
11
12
12
13
13
14
15
16
17
17
18
19
20
21
22
22
23
24
24
25
26
27
28
FIT
1:1
100%

Артикул

Название

Примечание

Количество

1

20U-43-41151

GUIDE

2

01010-D0820

BOLT

3

01643-70823

WASHER

4

04205-10832

PIN

5

FF3819-54880

PIN

6

21U-43-32430

COLLAR

7

21W-43-31130

STOPPER

8

01580-11210

NUT

9

20U-43-41120

BRACKET

10

21U-54-32112

COVER

11

20U-54-43240

COVER

12

20T-54-71550

BOLT

13

01643-70823

WASHER

14

09415-01610

CAP

15

21U-43-32380

SPRING

16

04205-30822

PIN

17

FF3819-54880

PIN

18

01643-30823

WASHER

19

21U-43-32241

PIN

20

01010-80612

BOLT

21

01643-30623

WASHER

22

06124-01616

BEARING

23

20U-43-41140

LEVER

24

06124-01616

BEARING

25

09304-10835

KNOB

26

21U-43-32320

PIN

27

01010-80612

BOLT

28

01643-30623

WASHER

Выбрано товаров: 28