Запчасти Komatsu PC78UU-6 КРЕПЛЕНИЕ ДВИГАТЕЛЯ КОМПОНЕНТЫ ДВИГАТЕЛЯ

Схема запчастей Komatsu PC78UU-6 - КРЕПЛЕНИЕ ДВИГАТЕЛЯ КОМПОНЕНТЫ ДВИГАТЕЛЯ
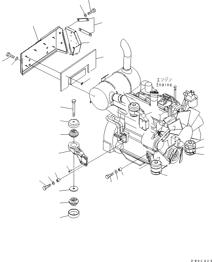
1
2
3
4
5
6
7
8
9
10
11
12
12
12
13
13
13
13
14
14
15
16
16
17
18
19
20
21
22
23
24
25
FIT
1:1
100%

Артикул

Название

Примечание

Количество

1

21W-01-38160

BRACKET

2

21W-01-38150

BRACKET

3

21W-01-38190

BRACKET

4

21W-01-41180

BRACKET

5

21W-01-15140

BOLT

6

21W-01-41320

SPACER

7

01643-31032

WASHER

8

01010-81265

BOLT

9

6144-81-6580

SPACER

10

21W-01-31460

WASHER

11

04020-01228

PIN

12

201-01-71260

STOPPER

13

201-01-71720

STOPPER

14

201-01-71250

CUSHION

15

01011-81630

BOLT

16

203-01-67540

WASHER

16

21W-01-15130

WASHER

|17

21W-01-41300

COVER ASS'Y

17

21W-01-41250

SHEET

18

21W-01-41310

COVER

19

22F-54-11380

WASHER

20

21W-01-41290

COVER

21

142-62-14450

PLATE

22

01010-80820

BOLT

23

01643-30823

WASHER

24

01010-81225

BOLT

25

01643-31232

WASHER

Выбрано товаров: 27