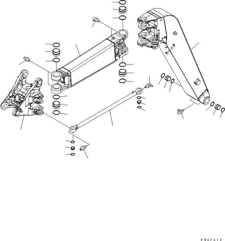
Запчасти Komatsu PC78UU-6 СТРЕЛА (1¤ 2-Я СТРЕЛА¤ 3 КОРПУС И SUB СОЕДИНИТЕЛЬН. ЗВЕНО) (ДЛЯ ПОДЪЕМА РУКОЯТИ) РАБОЧЕЕ ОБОРУДОВАНИЕ

Схема запчастей Komatsu PC78UU-6 - СТРЕЛА (1¤ 2-Я СТРЕЛА¤ 3 КОРПУС И SUB СОЕДИНИТЕЛЬН. ЗВЕНО) (ДЛЯ ПОДЪЕМА РУКОЯТИ) РАБОЧЕЕ ОБОРУДОВАНИЕ
1
2
2
3
3
3
3
4
5
6
6
6
6
7
8
9
9
9
9
9
9
9
9
10
11
12
12
13
13
13
13
14
15
FIT
1:1
100%

Артикул

Название

Примечание

Количество

|1

21W-70-01250

1ST BOOM ASS'Y

1

BOOM,1ST

2

21W-70-41610

BUSHING

3

07145-00065

SEAL,DUST

4

07020-00900

FITTING,GREASE

|5

21W-70-01031

2ND BOOM ASS'Y

5

BOOM,2ND

6

21W-70-41630

BUSHING

7

07020-00675

FITTING,GREASE

8

07020-00000

FITTING,GREASE

9

07145-00100

SEAL,DUST

10

21W-70-41140

BRACKET

|11

21W-70-01061

LINK ASS'Y

11

LINK,SUB

12

21W-70-41640

BUSHING

13

07145-00050

SEAL,DUST

14

07020-00000

FITTING,GREASE

15

07020-00900

FITTING,GREASE

Выбрано товаров: 18