Запчасти Komatsu PC78UU-6 РУКОЯТЬ CRANE (ОСНОВН. ЛИНИЯ PPC) (С ПРЕДОТВРАЩЕНИЕМ СМЕЩЕНИЯ КЛАПАН) СПЕЦ. ОПЦИИ

Схема запчастей Komatsu PC78UU-6 - РУКОЯТЬ CRANE (ОСНОВН. ЛИНИЯ PPC) (С ПРЕДОТВРАЩЕНИЕМ СМЕЩЕНИЯ КЛАПАН) СПЕЦ. ОПЦИИ
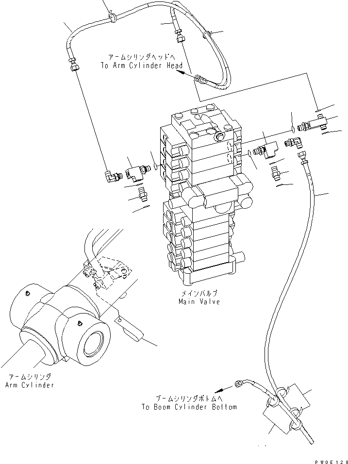
1
1
2
2
3
3
4
4
5
5
6
7
8
8
9
10
11
12
13
13
14
14
FIT
1:1
100%

Артикул

Название

Примечание

Количество

1

207-62-61680

TEE

2

07002-11423

O-RING

3

11Y-62-12130

NIPPLE

4

07002-11423

O-RING

5

02896-11008

O-RING

6

21W-62-46260

TEE

7

07002-11423

O-RING

8

02896-11008

O-RING

9

21W-62-46810

HOSE¤ 2220MM

10

21W-62-46730

HOSE¤ 2070MM

11

21W-62-47260

HOSE

12

04435-51410

CLIP

13

21W-62-38390

BAND

14

21W-62-38390

BAND

Выбрано товаров: 14