Запчасти Komatsu PC78UU-6 СТРЕЛА (1¤ 2-Я СТРЕЛА¤ 3 КОРПУС И SUB СОЕДИНИТЕЛЬН. ЗВЕНО) (YELНИЗ.) РАБОЧЕЕ ОБОРУДОВАНИЕ

Схема запчастей Komatsu PC78UU-6 - СТРЕЛА (1¤ 2-Я СТРЕЛА¤ 3 КОРПУС И SUB СОЕДИНИТЕЛЬН. ЗВЕНО) (YELНИЗ.) РАБОЧЕЕ ОБОРУДОВАНИЕ
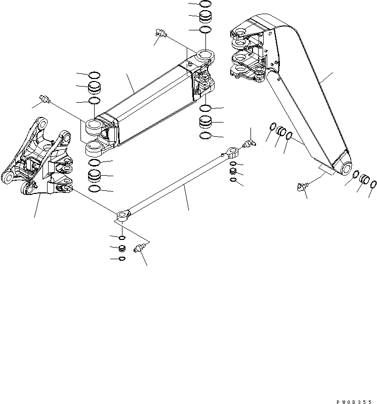
1
2
2
3
3
3
3
4
5
6
6
6
6
7
8
9
9
9
9
9
9
9
9
10
11
12
12
13
13
13
13
14
15
FIT
1:1
100%

Артикул

Название

Примечание

Количество

|$3

21W-70-01532

1ST BOOM ASS'Y

|$4

21W-70-01531

1ST BOOM ASS'Y

|$5

21W-70-01530

1ST BOOM ASS'Y

1

BOOM

1

BOOM (YELLOW)

2

21W-70-41611

BUSHING

2

21W-70-41610

BUSHING

3

07145-00065

SEAL,DUST

4

07020-00900

FITTING,GREASE

|$16

21W-70-01552

BOOM ASS'Y

|$17

21W-70-01551

2ND BOOM ASS'Y

|$18

21W-70-01550

2ND BOOM ASS'Y

5

BOOM

5

BOOM (YELLOW)

6

21W-70-41631

BUSHING

6

21W-70-41630

BUSHING

7

07020-00675

FITTING,GREASE

8

07020-00000

FITTING,GREASE

9

07145-00100

SEAL,DUST

10

21W-70-41140SA

BRACKET (YELLOW)

10

21W-70-41141NK

BRACKET

10

21W-70-41140SA

BRACKET (YELLOW)

|$39

21W-70-01542

LINK ASS'Y

|$40

21W-70-01541

LINK ASS'Y

|$41

21W-70-01540

LINK ASS'Y

11

LINK,SUB

11

LINK (YELLOW),SUB

12

21W-70-41641

BUSHING

12

21W-70-41640

BUSHING

13

07145-00050

SEAL,DUST

14

07020-00000

FITTING,GREASE

15

07020-00900

FITTING,GREASE

Выбрано товаров: 32