Запчасти Komatsu PC78UU-8 СИДЕНЬЕ ОПЕРАТОРА ЗАДН. КРЫШКА (№-) СИДЕНЬЕ ОПЕРАТОРА ЗАДН. КРЫШКА, С VOLT POWER ПОДАЮЩ.

Схема запчастей Komatsu PC78UU-8 - СИДЕНЬЕ ОПЕРАТОРА ЗАДН. КРЫШКА (№-) СИДЕНЬЕ ОПЕРАТОРА ЗАДН. КРЫШКА, С VOLT POWER ПОДАЮЩ.
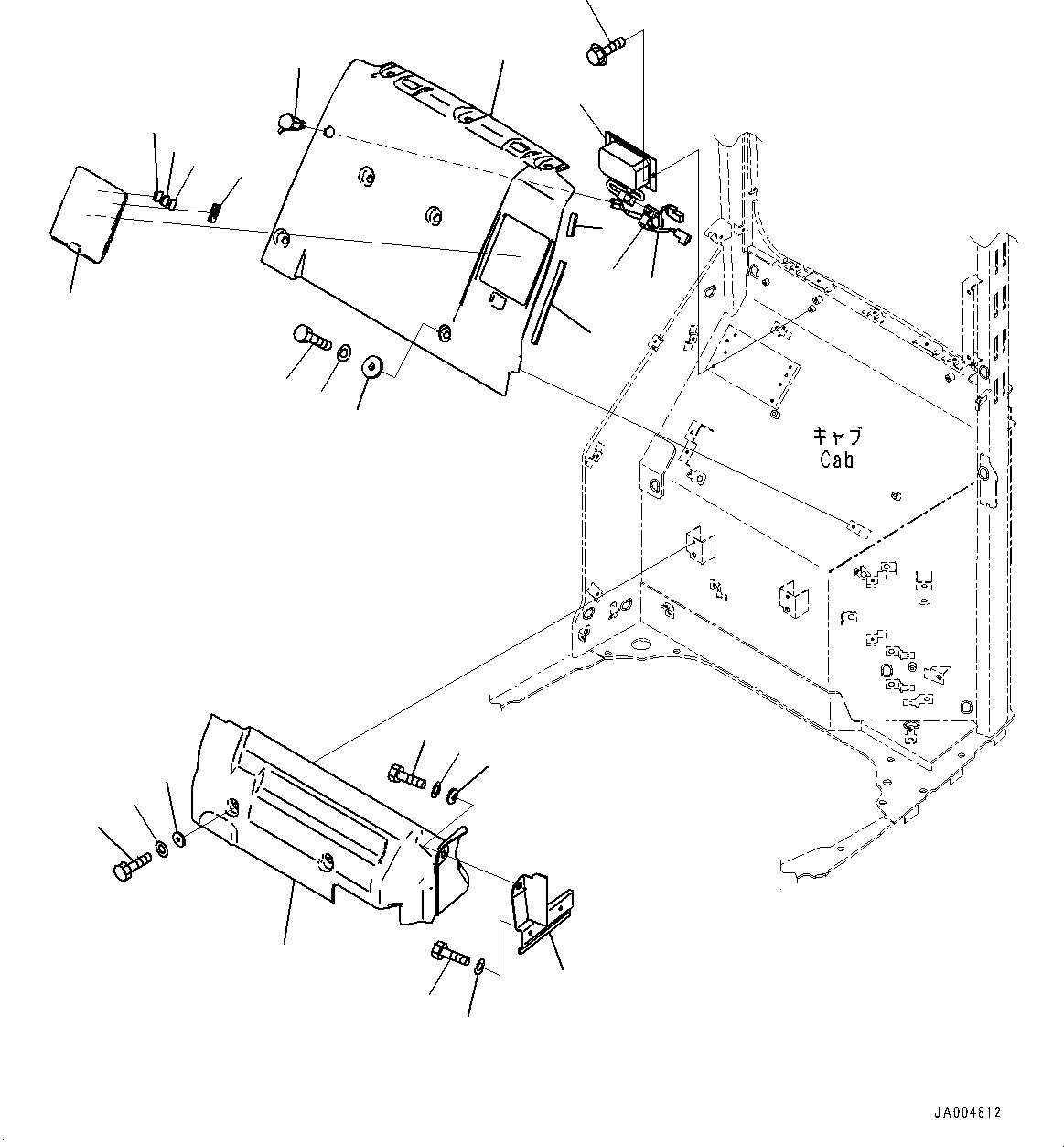
1
2
3
4
5
6
7
8
9
10
11
12
13
14
15
16
17
18
16
17
18
19
20
22
21
23
FIT
1:1
100%

Артикул

Название

Примечание

Количество

1

22P-53-15481

Cover

2

22P-53-15330

Sheet

3

22P-53-15340

Sheet

4

20Y-53-13631

Cover Assembly

5

22U-43-22340

Puller

6

08041-01000

Fuse, 10Amp.

7

08041-02000

Fuse, 20Amp.

8

08041-03000

Fuse, 30Amp.

9

01010-D0616

Bolt

10

01643-70623

Washer

11

20Y-53-12310

Collar

12

22P-979-1751

Plate

13

01010-D0820

Bolt

14

01643-70823

Washer

15

22P-53-15351

Cover

16

01010-D0620

Bolt

17

01643-70623

Washer

18

20Y-53-12310

Collar

19

22U-06-22251

Converter

20

01435-00610

Bolt

21

22P-06-11770

Wiring Harness

22

08211-01020

Clip

23

198-Z11-2640

Socket Assembly

Выбрано товаров: 23