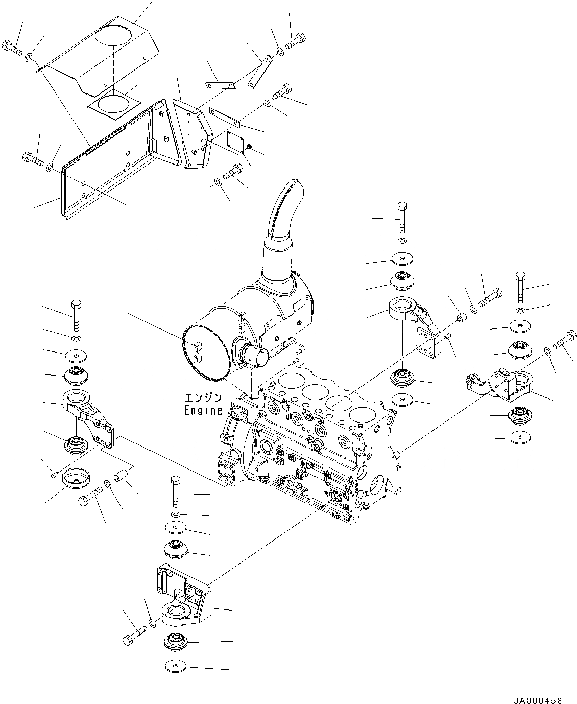
Запчасти Komatsu PC78UU-8 КРЕПЛЕНИЕ ДВИГАТЕЛЯ (№-) КРЕПЛЕНИЕ ДВИГАТЕЛЯ

Схема запчастей Komatsu PC78UU-8 - КРЕПЛЕНИЕ ДВИГАТЕЛЯ (№-) КРЕПЛЕНИЕ ДВИГАТЕЛЯ
27
28
25
27
28
23
22
23
24
25
26
27
28
29
30
31
32
33
34
19
4
5
6
18
21
20
18
19
19
21
20
12
13
14
15
16
17
18
19
19
18
2
3
1
18
20
21
21
20
8
7
9
11
10
19
19
19
18
18
FIT
1:1
100%

Артикул

Название

Примечание

Количество

1

22P-01-11260

Bracket

2

01643-31032

Washer

3

22B-01-21190

Bolt

4

22P-01-11270

Bracket

5

01643-31032

Washer

6

22B-01-21190

Bolt

7

21W-01-38190

Bracket

8

6144-81-6580

Spacer

9

01010-81285

Bolt

10

01643-31232

Washer

11

04020-01228

Pin, Dowel

12

21W-01-41180

Bracket

13

22P-01-11280

Spacer

14

01010-81285

Bolt

15

01643-31232

Washer

16

04020-01228

Pin, Dowel

17

201-01-71260

Stopper

18

203-01-67540

Washer

19

22B-01-21530

Cushion

20

01643-31645

Washer

21

01011-81630

Bolt

22

22P-01-11320

Cover

23

22P-01-11410

Cover

24

09817-A0753

Plate, Warning, High Temperature

25

142-62-14450

Plate

26

22P-01-11450

Plate

27

01010-80820

Bolt

28

01643-30823

Washer

29

01010-81225

Bolt

30

01643-31232

Washer

31

22P-01-11360

Cover

32

22P-01-11351

Sheet

32

22P-01-11350

Sheet

33

01010-80820

Bolt

34

01643-30823

Washer

Выбрано товаров: 35