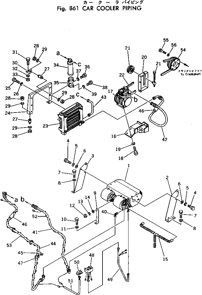
Запчасти Komatsu PC80-1 CAR ЛИНИЯ ОХЛАЖДЕНИЯ ОПЦИОННЫЕ КОМПОНЕНТЫ

Схема запчастей Komatsu PC80-1 - CAR ЛИНИЯ ОХЛАЖДЕНИЯ ОПЦИОННЫЕ КОМПОНЕНТЫ
FIT
1:1
100%

Артикул

Название

Примечание

Количество

1

205-981-5110

COOLING UNIT

2

206-988-2140

BRACKET,L.H.

3

206-988-2150

BRACKET,R.H.

4

01010-50820

BOLT

5

01602-20825

WASHER,SPRING

6

01643-30823

WASHER

7

01010-51230

BOLT

8

01643-31232

WASHER

9

205-981-5350

BRACKET

10

01010-51230

BOLT

11

01643-31232

WASHER

12

01580-10806

NUT

13

01602-20825

WASHER,SPRING

14

01643-30823

WASHER

15

205-981-5170

HOSE,DRAIN

16

20X-978-1111

BRACKET

17

205-981-5130

COMPRESSOR ASS'Y

18

01010-50840

BOLT

19

01602-20825

WASHER,SPRING

20

20X-978-1140

BRACKET

21

20X-978-1150

PULLEY ASS'Y

22

04120-21749

V-BELT

23

205-981-5120

CONDENSER UNIT

24

20X-978-1121

BRACKET

25

01010-50820

BOLT

26

01602-20825

WASHER,SPRING

27

20R-03-11190

CUSHION

28

01580-10806

NUT

29

01602-20825

WASHER,SPRING

30

20X-978-1170

BRACKET

31

01010-50820

BOLT

32

01602-20825

WASHER,SPRING

33

01580-10806

NUT

34

566-07-11240

RECEIVER

35

20X-978-1130

BAND

36

01010-50616

BOLT

37

01602-20619

WASHER,SPRING

38

01010-50616

BOLT

39

01602-20619

WASHER,SPRING

40

205-981-5250

ELBOW

41

09488-20616

HOSE

42

09488-20614

HOSE

43

20X-978-1191

TUBE

44

20X-978-1180

HOSE

45

154-06-13780

CLAMP

46

203-977-3110

COVER

47

08034-00536

BAND

48

205-981-5150

PANEL ASS'Y

49

203-981-2160

WIRE ASS'Y

50

205-981-5160

RELAY

51

203-981-2150

WIRE ASS'Y

52

20X-978-1220

WIRE

53

20X-978-1230

WIRE

54

203-978-3141

PULLEY

55

01010-50845

BOLT

56

01602-20825

WASHER,SPRING

Выбрано товаров: 56