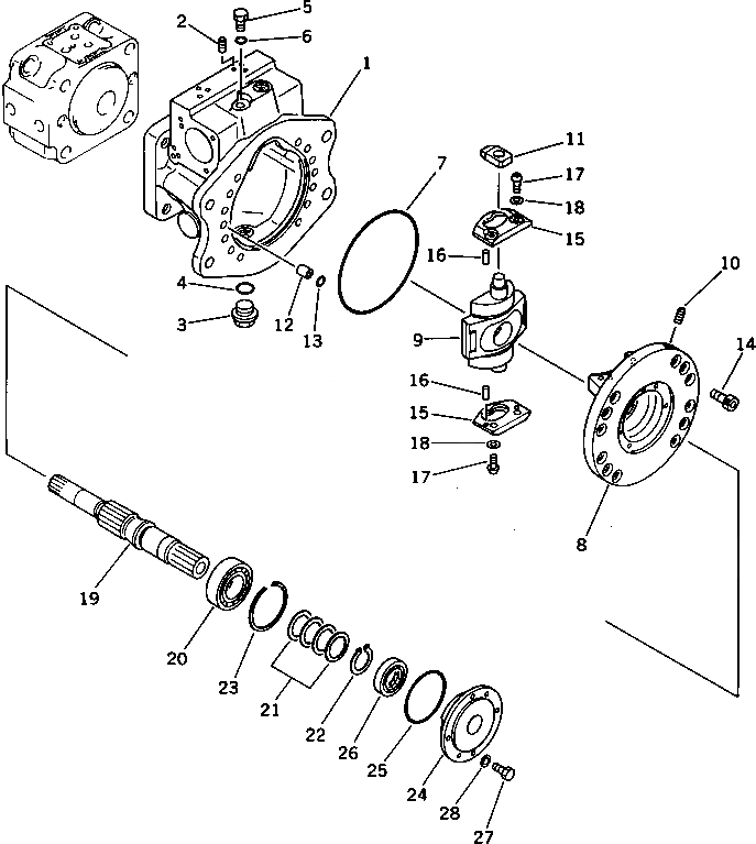
Запчасти Komatsu PC80-3 ГИДР. НАСОС.¤ ПЕРЕДН. (/) (БЕЗ ВЫБОР РЕЖИМА OLSS)(№8-) ГИДРАВЛИКА

Схема запчастей Komatsu PC80-3 - ГИДР. НАСОС.¤ ПЕРЕДН. (/) (БЕЗ ВЫБОР РЕЖИМА OLSS)(№8-) ГИДРАВЛИКА
FIT
1:1
100%

Артикул

Название

Примечание

Количество

|1

708-21-01040

PUMP ASS'Y,(HPV35+35)

|$$2

THESE ASSEMBLIES CONSIST OF ALL PARTS SHOWN IN FIGS.6201A TO 6231.

|1

PUMP SUB ASS'Y

|$$4

THESE ASSEMBLIES CONSIST OF ALL PARTS SHOWN IN FIGS.6203A TO 6211A.

|1

708-21-01220

PUMP SUB ASS'Y

|1

CASE ASS'Y,FRONT

1

CASE,FRONT

2

PLUG

3

07044-12412

PLUG

4

07002-02434

O-RING

5

720-68-19870

PLUG

6

07002-01223

O-RING

7

07000-02145

O-RING

|8

708-21-00030

CRADLE ASS'Y,FRONT

8

CRADLE,FRONT

9

CAM,CAM

10

PLUG

11

708-21-14220

SLIDER

12

708-21-12330

JOINT

13

07000-12012

O-RING

14

708-21-12380

BOLT

15

708-21-12340

PLATE

16

708-23-12370

PIN

17

708-21-12350

SCREW

18

708-21-12360

WASHER

19

708-21-12711

SHAFT

20

708-21-12751

BEARING

21

708-21-05010

WASHER KIT

|21

WASHER

|21

WASHER

|21

WASHER

|21

WASHER

22

708-25-22830

RING,SNAP

23

708-21-12660

RING

24

708-21-12851

HOUSING

25

07000-02055

O-RING

26

708-21-12860

SEAL,OIL

27

01010-30616

BOLT

28

01643-30623

WASHER

Выбрано товаров: 39