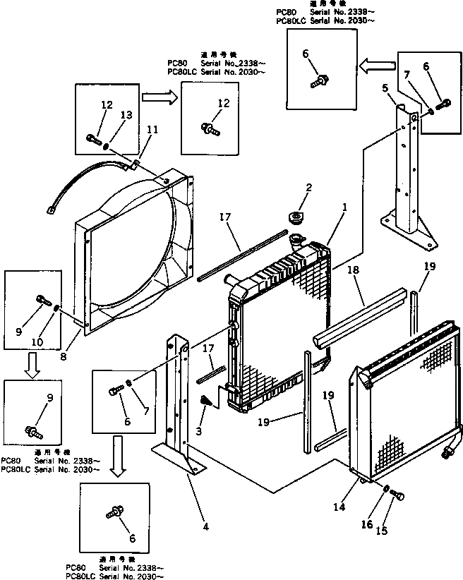
Запчасти Komatsu PC80-3 РАДИАТОР И МАСЛООХЛАДИТЕЛЬ КОМПОНЕНТЫ ДВИГАТЕЛЯ И ЭЛЕКТРИКА

Схема запчастей Komatsu PC80-3 - РАДИАТОР И МАСЛООХЛАДИТЕЛЬ КОМПОНЕНТЫ ДВИГАТЕЛЯ И ЭЛЕКТРИКА
FIT
1:1
100%

Артикул

Название

Примечание

Количество

|$0

20X-03-00040

RADIATOR ASS'Y

1

201-03-51150

CORE ASS'Y

2

201-03-51310

CAP

3

205-03-62660

PLUG

3

07000-01007

O-RING

4

201-03-51160

SUPPORT

5

201-03-51170

SUPPORT

6

01435-20816

BOLT

6

01010-50816

BOLT

7

01643-30823

WASHER

8

201-03-51110

SHROUD

9

01435-20816

BOLT

9

01010-50816

BOLT

10

01643-30823

WASHER

11

20X-03-21121

GUARD

12

01435-20816

BOLT

12

01010-50816

BOLT

13

01643-30823

WASHER

14

20B-03-32110

OIL COOLER ASS'Y

15

01010-50816

BOLT

16

01643-30823

WASHER

17

201-03-51180

PACKING

18

201-03-51240

SHEET

19

201-03-51190

PACKING

Выбрано товаров: 0