Качественные детали и логистика
Оригинальные и аналоговые запчасти с доставкой по России, Казахстану и Беларуси
©2022 PartSell ООО "Система" ИНН 2463123282 ОГРН 1212400004838
Центральный офис: г. Красноярск, Академика Киренского, д.87, пом.4
Телефон: 8 (800) 777-65-74 Email: zakaz@partsell.ru
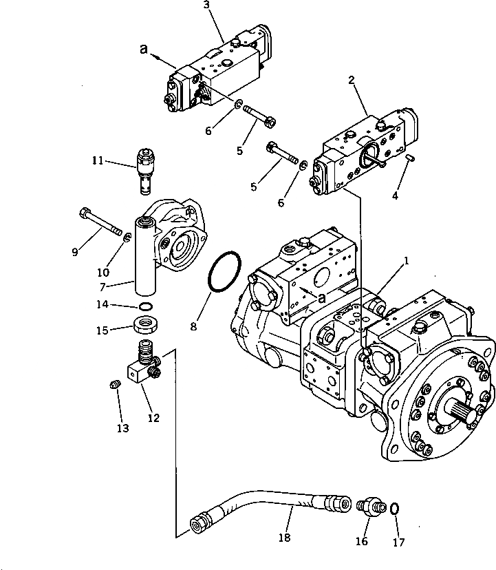
ГИДР. НАСОС. БЛОК (БЕЗ ВЫБОР РЕЖИМА OLSS)(№-8)
№
Артикул
Название
Примечание
Количество
|$0
708-21-01040
PUMP ASS'Y,(HPV35+35)
|$1
708-21-10701
|$2
708-21-10700
|$$4
THESE ASSEMBLIES CONSIST OF ALL PARTS SHOWN IN FIGS.6201 TO 6231.
1
708-21-11200
PUMP SUB ASS'Y
2
708-21-15901
SERVO VALVE ASS'Y,FRONT
3
708-21-16901
SERVO VALVE ASS'Y,REAR
4
04020-00616
PIN,DOWEL
5
708-25-19130
BOLT
6
01602-20825
WASHER,SPRING
7
704-24-24400
GEAR PUMP ASS'Y
8
07000-02085
O-RING
9
01010-51080
10
01602-21030
11
708-23-14800
VALVE ASS'Y
12
708-23-19110
ELBOW
13
07042-30108
PLUG
14
07002-02434
15
07239-12410
NUT
16
07230-10315
UNION
17
07002-02034
18
07102-20303
HOSE
Выбрано товаров: 0