Запчасти Komatsu PC800-6 МОТОР ХОДА ЧАСТИ КОРПУСА(№-999) ХОДОВАЯ

Схема запчастей Komatsu PC800-6 - МОТОР ХОДА ЧАСТИ КОРПУСА(№-999) ХОДОВАЯ
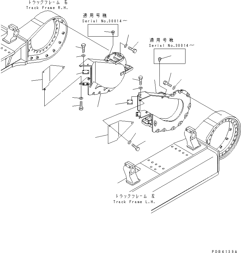
1
2
3
4
4A
5
6
7
8
9
10
11
12
13
13A
14
15
16
17
18
FIT
1:1
100%

Артикул

Название

Примечание

Количество

1

209-30-71311

GUARD,L.H.

2

01010-81645

BOLT

3

01643-31645

WASHER

4

209-30-71371

COVER,L.H.

4A

07049-01620

PLUG

5

01010-81230

BOLT

6

175-54-34170

WASHER

7

21T-62-27270

SEAT

8

01010-81230

BOLT

9

175-54-34170

WASHER

10

209-30-71321

GUARD,R.H.

11

01010-81645

BOLT

12

01643-31645

WASHER

13

209-30-71381

COVER,R.H.

13A

07049-01620

PLUG

14

01010-81230

BOLT

15

175-54-34170

WASHER

16

21T-62-27270

SEAT

17

01010-81230

BOLT

18

175-54-34170

WASHER

Выбрано товаров: 20