Запчасти Komatsu PC800-6 МЕХ-М ОТБОРА МОЩНОСТИ(№-7) КОМПОНЕНТЫ ДВИГАТЕЛЯ

Схема запчастей Komatsu PC800-6 - МЕХ-М ОТБОРА МОЩНОСТИ(№-7) КОМПОНЕНТЫ ДВИГАТЕЛЯ
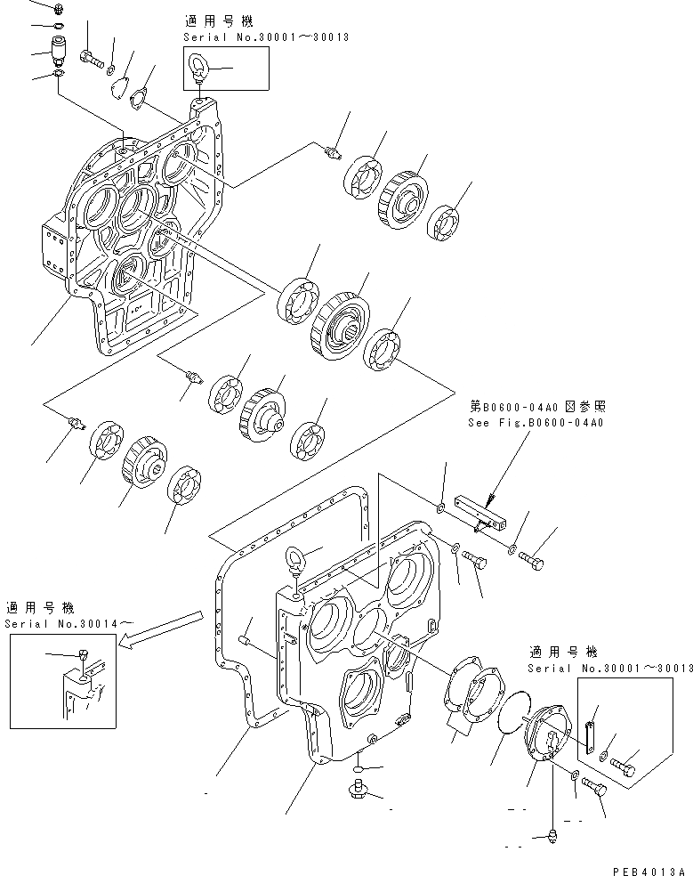
1
2
3
4
5
6
7
7
8
9
10
11
12
13
14
15
15
15
16
17
18
19
20
21
22
23
24
25
26
26
27
28
29
30
31
32
33
33
34
35
35
36
37
37
37
38
FIT
1:1
100%

Артикул

Название

Примечание

Количество

|1

209-38-00028

P.T.O. ASS'Y

|1

209-38-00027

P.T.O. ASS'Y

1

209-38-71111

CASE

2

209-38-71121

CASE

3

21N-38-11281

GASKET

4

01010-81240

BOLT

5

01643-31232

WASHER

6

01010-81250

BOLT

7

01643-31232

WASHER

8

04020-01638

PIN

9

07044-12412

PLUG

10

07002-32434

O-RING

11

07030-03034

BREATHER

12

07005-03016

GASKET

13

209-38-11291

PLUG

14

07005-03016

GASKET

15

07049-03645

PLUG

|15

04530-13655

BOLT

16

6162-23-4880

COVER

17

209-38-71230

GASKET

|17

6162-23-4890

GASKET

18

01010-81025

BOLT

19

01643-31032

WASHER

20

209-38-71140

GEAR

21

209-38-51670

BEARING

|21

06002-32028

BEARING

22

209-38-51660

BEARING

23

21N-38-11171

COVER

24

01010-81645

BOLT

|24

01010-81645

BOLT

25

01010-81650

BOLT

26

01643-31645

WASHER

27

07000-35200

O-RING

28

209-62-78640

BRACKET

29

209-38-71130

GEAR

30

06030-06221

BEARING

31

06030-06218

BEARING

32

21N-38-11190

GEAR

33

06030-06219

BEARING

34

209-38-71150

GEAR

35

06030-06219

BEARING

36

21N-38-00010

SHIM ASS'Y

|37

SHIM¤ 0.1MM

|37

SHIM¤ 0.2MM

|37

SHIM¤ 0.5MM

37

209-38-11270

NIPPLE

38

07042-70108

PLUG

|38

07042-00108

PLUG

Выбрано товаров: 48