Запчасти Komatsu PC800-6 КОНДИЦ. ВОЗДУХА (COMORESSOR)(№-999) КАБИНА ОПЕРАТОРА И СИСТЕМА УПРАВЛЕНИЯ

Схема запчастей Komatsu PC800-6 - КОНДИЦ. ВОЗДУХА (COMORESSOR)(№-999) КАБИНА ОПЕРАТОРА И СИСТЕМА УПРАВЛЕНИЯ
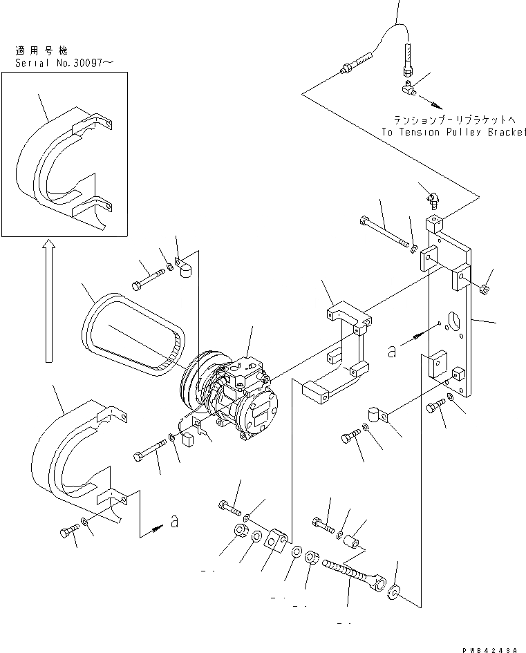
1
2
3
4
5
6
7
8
9
10
10
11
11
12
13
14
15
16
17
17
18
19
20
21
22
23
23
24
24
25
26
27
28
29
30
31
32
FIT
1:1
100%

Артикул

Название

Примечание

Количество

1

20Y-979-3111

AIR COMPRESSOR A.

1

20Y-979-3110

AIR COMPRESSOR A.

2

04120-21736

V-BELT

3

209-979-7371

BRACKET

3

209-979-7370

BRACKET

4

01010-81035

BOLT

5

01643-31032

WASHER

6

112-946-4170

CLIP

7

01010-81020

BOLT

8

01643-31032

WASHER

9

209-979-7381

BRACKET

9

209-979-7380

BRACKET

10

01010-80885

BOLT

11

01643-30823

WASHER

12

01019-31240

BOLT

13

01643-31232

WASHER

14

01580-11210

NUT

15

08036-10814

CLIP

16

08053-01510

CLIP

17

209-979-7391

COVER

17

209-979-7390

COVER

18

01010-81025

BOLT

19

01643-31232

WASHER

20

6150-82-8690

PLATE

21

01010-81250

BOLT

22

01643-31232

WASHER

23

01580-11411

NUT

24

01643-31445

WASHER

25

6150-82-8610

ROD

26

6215-81-6150

PIN

27

01010-81250

BOLT

28

01643-32260

WASHER

29

175-54-34170

WASHER

30

11T-61-13710

HOSE

31

201-62-41910

ELBOW

32

07020-00900

FITTING

Выбрано товаров: 0